Pg电子游戏平台:线nV√Hz噪声和120dB电源抑制
在很多电路应用中,无噪声、良好稳定的电源对于实现最佳性能是很重要。压控振荡器 (VCO) 和精确的压控晶体振荡器 (VCXO) 会迅速响应电源的微小变化。锁相环 (PLL) 需要稳定的电源,因为电源上的信号会直接转变成输出的相位噪声。RF 放大器需要无噪声电源,因为这类放大器缺乏抑制电源变化的能力,而且稳压器变化将以不想要的边带信号形式出现,降低了信噪比。低噪声放大器和模数转换器 (ADC) 不具备无限大的
电源一旦搭建完毕就可以确定,对于其应用而言,电源是否具有足够低的噪声。振荡器的相位噪声可以测量,然后,相对于用一个已知和性能良好的电源实现之结果,对测量结果进行比较。还要检查 ADC,以确保得到最多位数。这些测量工作比较难,需要耗费大量时间,如果可不进行费用高昂的试验就可确保噪声足够低,那会更好。
除了噪声,还必须考虑线性稳压器电源抑制能力。能力不佳会给开关稳压器留下剩余信号或带来其他不想要的信号,从而破坏为确保拥有干净的电源所付出的艰苦努力。如果电源抑制能力不佳,留下了足够淹没噪声的信号,那么稳压器的噪声即使极低,也是没有价值的。
噪声问题很早以前就开始提及了。2000 年 3 月凌力尔特发布了《应用指南 83》(Application Note 83),题为 “低压差稳压器的低噪声性能验证” (Performance Verification of Low Noise, Low Dropout Regulators),文中详细叙述了一种测量方法,可以有把握地测量低至 4VRMS 的稳压器输出电压噪声。该应用指南中所用的放大器电路和滤波器在 10Hz 至 100kHz 带宽时提供 60dB 增益。这是一个良好的起点,可以有把握地测量噪声水平。
诸如 LT3042 等最新线性稳压器现已投产,其输出电压噪声低得多。在《应用指南 83》发布前后推出的该系列稳压器在 10Hz 至 100kHz 频带上的噪声约为 20VRMS,而现在 LT3042 在相同频带上的噪声低至 0.8VRMS。回顾《应用指南 83》中的电路可以看出,输入参考噪声层为 0.5VRMS,当测量低至 4VRMS 的噪声时,误差低于 1%。在输出噪声为 0.8VRMS 的现在,这样的噪声层就不可接受了,因为稳压器本身的工作噪声仅略高于测量电路。这相当于几乎高达 20% 的误差,从而使测量电路成为过于重要的因素,以至于不能有把握地测量信号。
测量低于 1VRMS 的噪声不是一项微不足道的任务。在 10Hz 至 100kHz 测量频带上逆推,这相当于 3.16nV/Hz 噪声频谱密度 (假定噪声为白噪声)。这就相当于 625 电阻器产生的热噪声。以 5% 的误差测量这么大的噪声,要求仪器有一个 1nV/Hz 的输入参考噪声,而 1% 内的误差测量则要求 450pV/Hz 的输入参考噪声。
我们现在对仪器要求的噪声层已有所了解,但是还有一个问题,即关键频率范围以及用什么仪器测量所产生的噪声。为了测量噪声频谱密度,可以简单地通过低噪声增益级 馈送稳压器输出,然后再馈送到频谱分析仪中,从而将不想要的频率从测量中隔离出去。如果想测量峰至峰值或 RMS 噪声,那么在低噪声增益级上要确保带阻,以确保仅测量在想要的带宽内的信号。
常用的宽带噪声测量频率范围为 10Hz 至 100kHz。这个范围包括音频频带,可确保通过 RF 传送的基带数据产生最小的边带信号。锁相环中使用的低噪声稳压器和高准确度仪表要求在较高的频率上进行测量 (高达 1MHz 及以上),因此我们不应该将自己限制到仅 100kHz 范围。理想情况下,带阻会在想要的频率上实现绝对的砖墙式滤波,但电路设计的现实使我们无法实现这样的效果。选择较高阶的巴特沃斯 (Butterworth) 滤波器, 以保持所关注频率范围内的最大平坦度及其提供更好砖墙式近似的能力。滤波器的阶数由其等效噪声带宽 (ENB) 引入的误差决定:二阶低通巴特沃斯滤波器的 ENB 为 1.11fH,所产生的误差太大。4 阶滤波器的 ENB 降至 1.026fH,所产生的误差约为 1.3%。更高阶的滤波器会增加不必要的复杂性和成本,所带来的性能改进却很小。4 阶滤波器的误差加上输入参考噪声所引入的误差,若要以 5% 内的误差进行测量,则要求来自放大器的输入参考噪声之最大误差不超过 1%。
电路增益也必须考虑。如果增益太低,测量仪器的噪声会加进来,像放大器的输入噪声一样,损害测量结果的准确性。同时,仪器也许不够灵敏,无法提供可靠的测量结果。就 RMS 噪声测量而言,HP3400A RMS 电压表的底部范围为 1mV,因此 60dB 是绝对最低增益。基于目前可获得的商用频谱分析仪 (而且可从二手市场获得) 之噪声层数据,人们决定 80dB 时会有最佳的工作表现。
噪声测量电路的方框图如图 1 所示。首先是 DC 隔离构件,接下来是超低噪声增益级以 AV = 25 将输入放大。然后是一个 5Hz 的单阶高通滤波器至另一个 AV = 20 的增益构件。接下来是一个 10Hz 二阶 Sallen-Key 滤波器和最后的 AV = 20 之增益级,到此净增益达到了 1 万倍或 80dB。再后面是 3 个可选输出之一,选择哪一个取决于想要的高端频率。3 个可选输出或其频率范围分别是 1MHz 限制、前述的 100kHz 带阻、以及达到所用增益级极限的 (在 3MHz y量到 -3dB 频率) 宽带输出。每种输出之后都是最后的 5Hz 高通滤波器,以隔离任何残留 DC 信号。

图 1:面向噪声测试的滤波器和增益选择。巴特沃斯滤波器提供合适的频率响应。
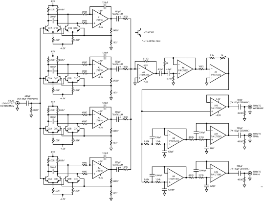
实际电路如图 2 所示。这里 DC 隔离是用 680F 电容器和紧随其后的 499电阻器组成。电容和电阻值的选择是该电路须做出的主要权衡之一。电阻器的值必须足够低,以便其后一级的基极电流不会引起极大的 DC 误差。不过,如果所选电阻值太低,该滤波器所需电容就会变得极之大。对所测试的稳压器而言,低电阻值还有可能使该滤波器成为频率补偿的组成部分,从而改变所测得的结果。电流值构成了 0.5Hz 高通滤波器。

图 2:图 1 所示方框图的实际电路。并联的各级每个都配备了低噪声三极管差分电路,以降低噪声,同时提高增益。
第一个增益级的架构至关重要。这一级必须提供固定增益,同时在O低的入参考噪声工作。在题为 “775 Nanovolt Noise Measurement for A Low Noise Voltage Reference” (针对低噪声电压基准的 775 毫微伏噪声测量) 的《应用指南 124》(Application Note 124) 中,介绍了已故的 Jim Williams 所做的工作,以此为基础,选择用三极管差分对驱动运算放大器的输入,以提供最佳带宽,同时仍然保持低噪声。以大约 80 倍的增益驱动差分对意味着,这对三极管的噪声起主导作用,而运算放大器的噪声不是非常重要的因素。
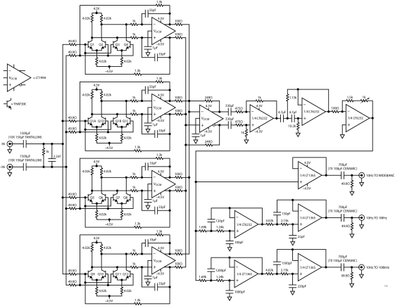
超低噪声放大器第一增益级由两对匹配的 THAT300 三极对管并联组成 (以降低输入参考噪声),接着是 LT1818,该器件配置为使这一级提供 25 倍的总增益。单一 SO-14 封装中包含 4 个 THAT300 三极管,提供良好的匹配特性 (典型值为 500V VBE) 和 800pV/Hz 的典型噪声。选择 LT1818 是为了实现高增益-带宽积。
输入三极对管和放大器级并联,可在不牺牲增益的前提下改善噪声层。人们都知道,放大器电路并联时,产生电压噪声压差,N 级并联时使噪声降低为 1/N。三极对管并联使有效噪声降至 800pV/Hz。之后,通过并联 4 个完整的输入级,这个噪声会进一步降低,再降低 2 倍,至 400pV/Hz。后续增加的噪声源很小,从而使我们能够接近 1% 准确度所要求的 450pV/Hz。
在第一增益级之后,330F 电容器和 100 电阻器对任何偏移提供 DC 隔离,而偏移是三极管差分对和运算放大器所固有的。这还提供 5Hz 高通滤波器,从而有助于提供想要的低频带阻。所有 4 个输入级合起来构成第二个增益级,增益为 20 倍。这时,输入已经得到了放大,因此运算放大器的噪声再次成为影响很小的因素。
10Hz 二阶高通滤波器是一个简单的单位增益 Sallen-Key 滤波器。提高这个滤波器的 Q 值,以帮助补偿单一 5Hz 高通滤波器级的频率响应,并为整个电路提供一个 10Hz 的 3dB 点。另外,这一级的 DC 隔离防止可能在前一级已经被放大的任何偏移再次被放大。如果不能在不同的级之间隔离 DC 信号,就有可能导致将放大器驱动到其轨电压上,从而使测量结果无效。每个增益级之间都放置了一个滤波器,以防止 DC 信号通过,同时提供低端带阻。
最后一级是一个简单的负输出放大器,具可调增益以补偿组件值的变化。从这里开始,该电路分成了 3 个输出级。最大带宽直接来自一个跟随器,从而避免了低通滤波,并在满增益噪声吞吐量情况下,提供 3MHz 的最大带宽。第二个输出采用了 1MHz 4 阶巴特沃斯低通滤波器,最后一个输出采用 100kHz 4 阶巴特沃斯低通滤波器。所有这 3 个级都使用一个最终在 5Hz 的 DC 隔离 RC 滤波器。
对任何电路而言,选择正确的组件都很重要,但是谈到超低噪声测量时,选择正确的组件甚至会更关键。噪声放大器中最关键的点是输入级,一旦确定了这第一级,很多困难也就变小了。用来直接在输入端实现 DC 隔离的 RC 滤波器必须仔细考虑。
电阻器的选择没有很多争议,与薄膜电阻器相比,金属薄膜电阻器用来确保低 1/f 噪声。电容器则完全是另一回事,必须仔细考虑。在《应用指南 124》(Application Note 124) 中,使用了一种昂贵的液钽电容器,以提供很低的 1/f 噪声,这种电容器是手工挑选的,以选出低泄漏器件。在以低至 0.1Hz 频率工作时,这些特性更加重要。针对宽带噪声采用 10Hz 低频带阻时,较低价格的电容器可以提供可接受的性能。大型多层陶瓷电容器是一种糟糕的选择,因为它们本质上是一种压电器件,任何机械振动会把信号注入到电路中,迅速地超过所测噪声水平。此外,电压系数基于稳压器输出电压引起拐角频率变化,这个特性是不想要的。钽和铝电解质电容器价格不贵,也没有电压系数或机械敏感性问题。以前会考虑聚对苯二甲酸薄膜电容器等更加昂贵的电容器,但是低可用性、高成本和缺乏性能改进使这类电容器被排除在外了。
即使采用那些可能的选择,电容器也确实显示出必须仔细考虑的噪声特性。大型多层陶瓷电容器能够以低噪声工作,但是已经被排除在外,因为它们对机械振动敏感。钽和铝电解质电容器产生较高的噪声 (见参考资料中 Sikula 等撰写的文章,以了解进一步的信息)。最后选择了标准钽电容器,因为这类电容器价格合理、偏置电压特性良好而且对物理振动不起反应。多个电容器并联可获得所需电压额定值和净电容,同时还可降低这些电容器导致的噪声。
出于类似原因,第一个增益级构件和第二个增益级构件之间的隔离 / 滤波也选择用钽电容器实现。尽管使用钽电容器后,第一级的增益会导致噪声被放大,但是人们发现,陶瓷电容器的压电响应产生的信号超出了可接受水平。
几乎任何类型的电容器都适合最后的输出隔离 / 滤波网络,这里选择了陶瓷电容器。被放大并与电容器压电响应有关的噪声现在足够大,缺少 DC 偏移意味着电容器接近其预期值。第一增益级中的补偿电容器以及巴特沃斯滤波器中使用的电容器是 C0G、NPO 或聚对苯二甲酸电容器,因为这类电容器的电介质没有或有很小的压电效应或 DC 偏置漂移。
怎样给电路本身供电是最后一个重要决定。人们选择用碱性电池作电源,这样就可为所有级提供噪声最小的电源,并防止设备中可能存在的地环路导致测量结果不准确。我们必须记住,这里采用的所有电路都不具备无限大的电源抑制能力,电源上的任何噪声都可以到达输出,并有可能影响测量结果。在选择用任何基于电网的电源供电时,要仔细考虑这些因素。
放大器有一些实际限制是不能忽视的。如果电路提供 80dB 增益,那么输入端的 100VP-P 信号在输出端将变成 1VP-P。用 4.5V 电源供电决定了输出信号幅度低于 3.5V。因此,输入不能接受总幅度超过 350V 的信号,否则信号保真度就无法保证。就高斯 (Gaussian) 噪声而言,预计最差情况的波峰因数为 10,那么用这个电路可测得的最大值仅为 70VRMS。
从这里看出,确保钽电容器正确偏置也很重要。就输入隔离电容器而言,三极管几乎在地电位上工作,因此正输出电压稳压器要求将电容器的正极连至稳压器输出。相反,测量负的输出电压时,电容器要反过来连接。就第一级和第二级之间的 DC 隔离和滤波而言,电容器的负端应该连至第一级。三极管的基极电流通过 499 电阻器将其基极电压拉至略负,这个略负的电压通过第一级的 25 倍增益进一步放大,因此要求电容器这样取向。
一旦电路搭建完成,就需要验证增益和输入参考噪声。为了校准增益,用 60dB 衰减 把来自函数发生器的信号降至能够避免放大器输出以轨电压运行的水平。在 1kHz 中频段频率时,100mVP-P 从函数发生器进入衰减器,调整最后的增益级中的电位器,以在输出端提供 1VP-P。在 10Hz 至 1MHz 范围来回调节频率,以验证增益在想要的带宽内是平坦的。
增益和频率响应的验证是用网络分析仪进行的。基准信号通过 60dB 衰减器馈送给放大器输入。3 个独立的输出作为测试点连接,并扫过整个频率范围。图 3 显示 3 个输出中每一个的增益随频率的变化,突出显示了卓越的平坦度和恰当的拐角频率。

图 3:图 1 电路的增益。滤波器响应显示,在想要的拐角频率处有陡峭的滚降。
为了验证输入参考噪声,将放大器输入短接至地,测量输出端的噪声。测量直接用 RMS 电压表或示波器进行。噪声频谱密度用频谱分析仪观看。所测得的宽带输出噪声频谱密度 (如图 4 所示) 有 1/f 噪声,拐角频率为 200Hz,在 200Hz 至 1MHz 范围内呈现 5V/Hz 白噪声特性。用 80dB 增益除以这个噪声数值,得出输入参考噪声是 500pV/Hz,略高于目标值。即使有 1/f 分量,这一数值也相当于在 10Hz 至 100kHz 带宽内有 0.15VRMS,这个数值足够低,可以有把握地在相同的带宽上测量 1VRMS。测量结果与示波器上测得的峰至峰值噪声有良好的相关性,如图 5 所示。

图 4:输入短接至地时放大器的噪声频谱密度显示出有 1/f 分量。除以 80dB 电路增益,就可产生输入参考噪声。

图 5:输入短接至地时的峰至峰值放大器噪声 (100kHz 范围) 与噪声频谱密度相关。
在这个电路的设计和测试期间,出现了几种不太明显的影响,这显示出测量超低噪声的难度。将输入短接至地并将输出连至示波器,揭示出很多用 RMS 电压表或频谱分析仪看不到的信息。用陶瓷电容器进行输入滤波和第二级滤波时,只用手指敲击实验台就会产生很大的信号摆幅,从而显示出陶瓷电容器的压电特性。这使得人们转而采用固钽电容器。
还有一种明显的影响是,待测噪声如此之小,以至于需要不同寻常的测量方法,以确保得到可靠的测量结果。将放大器电路板放在型号较旧的示波器前面,就会显示规则的 20kHz 信号 (就像示波器内有一个开关稳压器),该信号的幅度大于输入参考噪声。靠近实验台上的万用表放置放大器电路板,就会产生一个很大的 60Hz 信号。图 6 显示,当放大器放置在加电示波器前面几英寸的地方时,放大器是多么灵敏。在上述两种情况下,将电路板从设备附近拿开,或者改变电路板的朝向,都会改变信号幅度,而关断设备则会消除信号。在铅笔末端缠绕几个导线回路,将这连至函数发生器,以在不同频率时作为小型天线使用。不出所料,电路板上的某些区域有一些电路回路与实验台设备中的电感器和变压器发生了磁耦合。为此进行了一些布局改进,以帮助最大限度减少回路,不过显而易见的是,需要外部屏蔽。

图 6:输入短接至地和靠近示波器时,所显示的信号突出表明放大器电路板对磁场的灵敏度。
图 7 和图 8 显示了用来放置噪声放大器电路板的屏蔽盒之内部结构。放大器电路板与 6 节 D 号碱性电池一起放置在屏蔽盒内,该屏蔽盒是用 0.050 厚的 Mu Metal 做成的,以针对低频磁场提供良好的屏蔽效果。然后,将这屏蔽盒放入一个由 2 盎司覆铜板做成的盒子中,两个盒子之间留出 1/2 空隙,之所以选择覆铜板,是要针对较高频率提供良好的屏蔽效果。最后,将这两个盒子放入一个不锈钢盒 (一个再利用的饼干盒) 中,以针对磁场提供一定程度的初始屏蔽,盒间依然留出 1/2 空隙。各个盒之间的 1/2 空气隙帮助衰减磁场。附录 A “用于磁场屏蔽的材料”一文探讨了对低频磁场屏蔽有用的材料。

图 7:屏蔽盒结构 (不锈钢盒内套铜板盒再内套 Mu Metal 盒) 以衰减磁场。

图 8:详细的屏蔽盒结构。请注意,仅输入同轴缆屏蔽层连至金属屏蔽盒,以防止产生地回路。
关于屏蔽盒的构造,需要提及几个重要的方面。内部放大器电路板用同轴电缆将信号从电路板送出来,送到输入和输出 BNC 连接器。不过,必须注意同轴缆屏蔽层的连接。仅输入屏蔽层连至电路板的地平面和最外层的不锈钢盒。输入和输出 BNC 屏蔽层都连至不锈钢盒,同时输入和输出端的同轴缆屏蔽层都连至电路板地。如果输出屏蔽层也连至不锈钢盒,那么就会形成一个地回路,这可能会增强杂散磁场。每一层屏蔽盒都通过金属螺钉和支架与其外面一层屏蔽盒实现电气连接,放大器电路板用阻焊层隔离。这样一来,无需在内部连至放大器电路板的地平面,就可以实现屏蔽盒之间的连接,这样就不会产生可能的回路。最后,不锈钢本身可以增大衰减:不锈钢盒体与盒盖的内外边缘经过打磨,以清除装饰漆和保护层,确保盒体与盒盖之间有良好的电气接触。
值得一提的是,即使所有联注放在屏蔽电路上,但是电压频率场依然足够强以直接影响噪声曲线 所示。幸运的是,屏蔽足够有效,能够最大限度减小这些场产生的信号。即便如此,在进行测量时,人们还是应该充分意识到与电路相互影响的各种场的潜力。
一旦放大器检查和校准完毕,就进行实际噪声测量。要想准确测量线性稳压器的输出噪声并获得反映真实情况的结果,就要格外注意 DUT 屏蔽、组件选择、布局和电缆管理。图 9 显示了用来测试一个线性稳压器的配置,突出显示了用来避免磁场干扰测量结果的结构和屏蔽方法。在任何给定时间只有一个仪器连接以排除破坏测量的接地回路。

图 9:进行噪声测量的实验台配置。屏蔽盒中放置了噪声放大器。由于线性稳压器具备低输出阻抗,所以没有必要屏蔽,但是磁场仍然有可能影响输出。
选择用电池作为电源给线性稳压器供电的理由与选择用电池给放大器供电是相同的,目的是测量线性稳压器的噪声,而不是确定电源抑制特性。稳压器不需要屏蔽,因为稳压器具备低输出阻抗,因此非常不容易受到低频磁场的影响。连接稳压器输出和噪声放大器时,需要使用短的桶形连接器,因为长的软电缆由于静电效应会引入误差。
放大器输出直接馈送到示波器中,以测量峰至峰值噪声。如图 10 所示,LT3042 的峰至峰值噪声为 4VP-P。同一稳压器的频谱分析仪曲线 所示) 显示了在不同 SET 引脚电容时产生的噪声。10Hz 至 100kHz RMS 噪声作为 SET 引脚电容的函数显示在图 12 中。
线性稳压器的电源抑制与输出电压噪声同样至关重要。如果电源抑制性能不佳,即使噪声最低的稳压器也会使不想要的信号通过,到达输出,这样的信号到达输出后可能淹没稳压器的噪声。人们常常使用开关稳压器作为预稳压器,以提供效率、噪声、瞬态响应和输出阻抗的最佳组合。
大多数最先进的开关稳压器都在 100kHz 至 4MHz 频率范围内工作。即使采用 ESR 最低的电容器,开关稳压器能量传送的脉冲性也会导致在开关频率上出现输出电压纹波。在噪声敏感的视频、通信以及其他类型的电路中,这些纹波信号会引起问题。凌力尔特 2005 年 7 月发布了《应用指南 101》(Application Note 101),题为“Minimizing Switching Regulator Residue in Linear Regulator Outputs”(最大限度降低开关稳压器信号在线性稳压器输出中的残留),文中已经探讨了这个问题。
凌力尔特最近推出的线性稳压器之电源抑制为 80dB 及更大范围。LT3042 在某些频率上电源抑制接近 120dB。为了测试电源抑制,输入必须保持在足够低的幅度,以确保测试的是稳压器的小信号响应而不是大信号响应,当然信号也必须足够大,以在输出端提供可测量的信号。此外,叠加了 AC 信号的输入 DC 信号一定不能使稳压器产生压差或进入其他不想进入的工作区。
测试稳压器电源抑制性能时,第一件必做之事就是提供一个将受到抑制的信号。这可不是仅将频率发生器连接到稳压器上而已,而是复杂得多。AC 信号必须叠加在 DC 偏移之上,并能够在加载情况下提供所需电流。
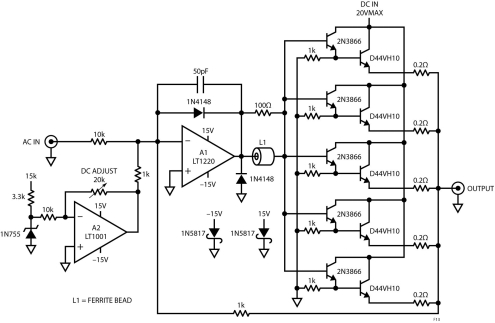
Jim Williams 开发了用来实现这一目的的电路,如图 13 所示。在这个电路中,DC 基准电压由 A2 产生,并在 A1 的负输入端与 AC 信号叠加。A1 输出驱动达林顿连接的三极管,而三极管与镇流电阻器连接,可把这些电路组并联以提供高达 5A 的输出电流。

图 13:驱动器电路板使 AC 和 DC 电压相加,以在频率直至 10MHz 时提供数安培电流。
将这个电路连接到 DUT 时,需要提到的一个主要说明是:稳压器不应该使用输入电容。第一个原因是,该电路没有为驱动电容性负载而优化,可能产生振荡。第二个原因是,这个电路不能吸取电流,必须有负载存在以给输入电容器放电,尤其是在频率增大时。在 10MHz 跨一个 1F 电容器提供一个 50mVP-P 正弦信号时,需要超过 3A 充电和放电电流,以防止信号失真。如果在小输出电流 (低于 100mA) 时进行测量,那么就要预加载,以确保提供给稳压器的信号保真度。
当稳压器具备很高的电源抑制时,就必须仔细考虑仪器的细节问题。如果稳压器提供 100dB 电源抑制,那么 50mVP-P 输入信号在输出端就被降至 0.5VP-P。可以提高输入信号幅度,但在某些点上将发生从小信号响应向大信号响应的转变。
就一个具备很高电源抑制的稳压器而言,输出信号的小幅度可与该器件的噪声幅度相比,或者比器件的噪声幅度还小。这建议我们应该像放大噪声一样地放大信号,以能够进行准确测量。即使这么做了,输出信号也常常被噪声淹没。幸运的是,新式示波器提供求取平均值的功能,使人们能够从噪声中抽取出信号。随机噪声的平均值为零。输入信号提供所需的触发信号。
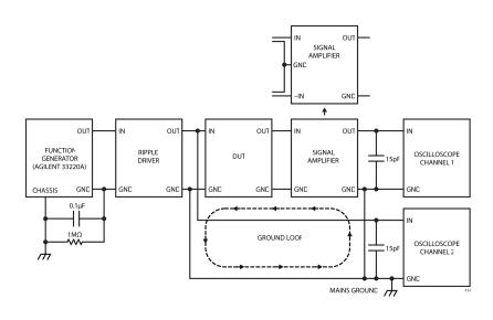
无论信号是否被放大,测量电源抑制时,还可能出现其他一些问题。输入和输出信号必须同时测量,人们需要知道输入和输出幅度,以确定该器件的抑制性能。测量配置的方框图如图 14 所示。

图 14:电源抑制测量配置的方框图显示了地回路。将单端放大器转换成差分放大器可解决地回路问题。
值得一提的是,在这个方框图中,存在可能破坏测量结果的地回路。第一个地回路是通过两个示波器通道的公共地形成的。这个地回路从信号放大器中通过,回路中的任何信号都会破坏电源抑制测量结果,使测量结果不能反映实际性能。对这个问题的解决办法是,将信号放大器从单端电路变成全差分电路。这么做了以后,两个回路都被断开了,这样就保证了测量保真度。第二个地回路 (图 14 中没有显示) 通过 AC 线路地到达第一个示波器通道。这个回路对误差贡献最小,因为相比之下所有信号都是大信号。
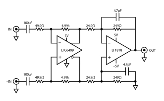
一个简单放大器如图 15 所示。这个放大器在输入端使用了全差分增益级,增益为 40dB,其后是一个差分至单端转换器,提供另外 20dB 增益。每个输入端都有一个 200Hz 高通滤波器以隔离 DC。之所以选择 LTC6409,是因为该器件提供很大的 10GHz 增益带宽积。第二级由 LT1818 组成,配置为一个差分至单端转换器,增益为 20dB。

这个放大器组合的输入参考噪声运行大约 1.4nV/Hz,这意味着我们预期应该测得低于 2.2VP-P 的噪声。同时,我们预期稳压器本身有 4VP-P 噪声。我们预期在稳压器输出端有 0.5VP-P 信号,与该信号相比,这个噪声完全淹没了我们试图测量的信号。不过,惟一的可取之处是噪声的随机性,噪声的平均值为零:使用具备存储器的新式示波器求取平均值后,就可得到隐藏在噪声中的信号。
极高性能线性稳压器测量变得更加棘手。输出信号仅获得 60dB 增益时,0.5VP-P 信号就变成了 0.5mVP-P。这么小的幅度已经接近很多高端示波器 1X 探头的测量门限了。将线性稳压器输入幅度提高 10 倍,会增加空间,但是如果稳压器抑制再增加 20dB,那么问题就会再次出现。
图 16 显示了怎样实现更高性能的放大器。该放大器基于图 2 所示噪声放大器和图 15 所示差分至单端放大器。现在,每一级所用的 LT1818 换成了 LT1994 差分放大器,LT1994 向差分三极对管反馈信号,三极对管仍然由 THAT300 三极管阵列组成。第二个差分增益级由另一个 LT1994 组成,之后通过第一个 LT6232 转换成单端测量电路。面向高通和巴特沃斯滤波器的后续各级与图 2 中相同。电路响应的校准和验证与低噪声放大器相同。

测量电源抑制的配置如图 17 所示。所测得的 LT3042 稳压器的电源抑制如图 18 所示。值得一提的是,该稳压器的电源抑制在 100Hz 时接近 120dB。在示波器上验证这个测量结果要求改进的放大器提供 80dB 增益。

图 17:测量电源抑制的配置。下方左边是驱动器电路板和 DUT,下方右边是放大器电路板。电源和信号源未显示。

还可用其他方法和设备进行电源抑制测量。锁定的放大器用基准信号在想要的频率上提供同步检测,以帮助测量小信号。网络分析仪还提供一个扫频振荡器,同时提供带通功能,以测量输入和输出幅度,并计算电路的抑制性能。这些方法提供有效的测量结果,但是人们仍然需要谨慎对待电路连接并验证测量结果。在示波器上检查输入和输出信号是必做之事,信号幅度和波形会指明,所测试的稳压器是否被驱动进入了压差状态,或者小信号响应是否已让位于大信号响应。
与测量噪声类似,测量电源抑制时,也有一些陷阱可能导致人们误入歧途。对电路接地需要严加注意,使用星形接地方式很重要。测量电源抑制时所看到的某些影响,实际上似乎是反直觉的。
迄今为止,可靠的设计始终会在线性稳压器的输入端包括一些电容,以保持电源阻抗在整个频率范围内尽可能低。如果器件提供足够高的电源抑制,那么实际上有可能增大输出纹波。
考虑一个如图 19 所示的电路,其中 LT3042 对 LT8614 Silent Switcher® 稳压器进行后稳压。在 500kHz 开关频率上,LT8614 通过两三英寸长的铜质电路板走线mVP-P 纹波。在 LT8614 使用仅 22F 的输出电容器时,线性稳压器的输出纹波仅为几 VP-P。当 LT3042 输入端增加一个 4.7F 电容器时,输出纹波增大到约 75VP-P,如图 20 所示。应该提到的是,就这些照片而言,带宽限制在 20MHz,因为目的是显示开关频率上的纹波,而不是高频边沿尖峰。
增加输入电容是怎样降低稳压器电源抑制的? 答案与 LT3042 性能无关,而与电路板布局有关。LT3042 提供卓越和具备以电气方式抑制输入电源信号的能力。迄今为止,能否抑制这些信号一直是限制因素。现在,磁场成了罪魁祸首。
为了更好地理解这一点,图 21 所示原理图用一条绿色的实线突出显示了 DC-DC 转换器的一条 AC 电流通路。如果 LT3042 的输入端有电容,那么 AC 电流也流过绿色虚线 的输入在所关注的频率上呈现高阻抗特性,因此无 AC 电流流入 LT3042。

图 21:本原理图突出显示了 DC-DC 转换器的 AC 电流回路和一些易受磁耦合影响 (附录 B 的图 B1) 的通路。组合使用铁氧体珠、屏蔽以及调节物理距离的方法,以最大限度减小高频尖峰 (附录 B 的图 B2)。电路板结构来自附录 B 的图 B。
AC 电流产生磁场,该磁场将在附近的其他回路中引起电流,在变压器中,绕组以同样的方式耦合。在图 21 中,两个所关注的回路用蓝色和红色显示。蓝色回路由 CSET 和 RSET 形成,在误差放大器输入端产生纹波。由于 LT3042 的单位增益架构,这个纹波被一直传送到输出端。红色回路由输出电容器和回看进稳压器的阻抗 (以及附近的负载组件) 直接在稳压器输出端产生纹波。
与直觉相反,去掉 LT3042 输入端的电容会降低输出纹波。考虑到这不是信号的电馈通,而是磁场耦合,所以人们在设计电路板时,必须考虑距离、屏蔽和回路方向。场强与距离和回路面积有关,最大限度减小回路面积 (不是靠采用输入电容器) 和最大限度延长距离 (仅通过使用 DC-DC 转换器输出电容) 限制了加到敏感回路上的电流。
这表明,之前决定在信号驱动器电路板的输出端或稳压器输入端不使用电容器是明智的。如果在稳压器输入使用电容器,就增加了一个回路,从而会产生磁场,该磁场耦合进输出并导致错误的测量结果。稳压器电源抑制看起来会比实际情况差得多。
使用开关稳压器时遇到的另一个问题是,不仅要去掉开关频率纹波,还要去掉与开关边沿有关的尖峰。有些电路的开关边沿仅在几纳秒时间内就过渡完毕,从而产生数百 MHz 频率分量。这些频率无法用简单的线性稳压器消除。走线电容和磁耦合等寄生效应使得这些尖峰难以降低。请参阅凌力尔特《应用指南 101》(Application Note 101)“Minimizing Switching Regulator Residue in Linear Regulator Outputs”(最大限度降低开关稳压器信号在线性稳压器输出中的残留),以及附录 B “控制高频开关尖峰”,以获得进一步的信息。
LT3042 等线性稳压器具备很高的性能,为敏感系统提供了噪声极低的电源轨。验证这类器件的 DC 性能通常不是很棘手的任务。而在性能如此之高的情况下,诸如噪声、电源抑制等关键参数不那么容易测量。就连测量电路、连接、电路板布局和设备中最不引人注意的细节都要格外注意。一度可能被忽视的微小误差 (与待测信号相比) 现在却成了一阶误差项。能够提供高 PSRR 性能表明,信号不是通过器件本身而是通过磁耦合发送的。必须检查每一个细节,以确保测量保真度,提供可靠的结果。
铝盒和铜盒常用来实现 RF 屏蔽,以防止不想要的信号进入敏感电路。这类屏蔽盒不会与磁场耦合,尤其是面对工作台测试中所遇到的低频时。薄的不锈钢盒 (即使内装铜盒或铝盒) 不会使磁场得到足够的衰减。人们需要的是一种具备很高磁导率的材料,必须使磁通线在电路周围改变方向,而不是允许磁通线通过电路。常见方法是采用多层相互之间由空气隙隔开的屏蔽材料。每一层都帮助衰减磁场强度,同时在层之间设置一定的距离以进一步降低场强。问题在于需要尝试着考虑各种材料的磁导率以及确定充分屏蔽电路免受磁场影响所需的厚度和配置。简单的不锈钢盒会需要极厚的盒壁 (估计至少为 1/2 厚),以提供足够的屏蔽。这会要求定制的焊接钢盒,这种钢盒一旦放置在实验台上,可能就永远也不会挪动了,因为太重。视合金材料的不同而不同,钢的相对磁导率在 400 至 2000 之间,而铜和铝则非常接近 1。
具备极高磁导率的材料是实现屏蔽所需要的。Mu Metal 等高磁导率镍合金在成型并经过恰当退火后,具备 20,000 至 50,000 的相对磁导率。Mu Metal 供应商 Magnetic Shield 公司提供由 3 个嵌套圆筒形容器组成的测试箱,可以将敏感电路放入箱内,以避免磁耦合问题。这种测试箱很昂贵,不过却是一种实现磁屏蔽的简便解决方案。如果自己制作屏蔽盒没什么问题,就可以购买 Mu Metal 板,按照自己的要求切割制作。建议使用较厚的板,以实现最佳屏蔽,避免材料饱和及磁场侵入问题。一定要注意,制作完成后,相对磁导率会下降,而且材料必须在富氢环境中恰当地退火。
另一种可能的材料是无定形合金,称为 Metglas。Metglas 不像 Mu Metal 那样是大块板形材料,可供切割和制作,而是两英寸宽、0.8 密尔厚的带状材料。使用这种材料时,将其重叠缠绕在电路板上,重叠层数以足够防止不想要的磁场进入电路板为准。磁场穿透的深度往往仅为材料中任何小孔直径的一倍,Metglass 合金视类型不同而不同,比 Mu Metal 的相对磁导率高得多。我们尝试使用了 Metglas 2705M,这种材料浇铸完成后,无需在富氢环境中用特殊方法退火,就可提供 290,000 的相对磁导率。如果使用退火箱,那么 Metglas 2714A 提供高达 1,000,000 的相对磁导率。用 Metglas 实现屏蔽的问题在于 0.8 密尔的厚度,较薄的带状 Metglas 更易于饱和,需要多层缠绕才能实现有效屏蔽。
一些最新开关模式电源电路与其前几代相比,开关转换速度快得多。转换速度提高有很多好处,例如效率提高、外部组件更小等。与这些快速转换边沿相伴而来的难题在于,需要最大限度减小加给及进入敏感电路的有关尖峰。
现在,开关转换速度已经提高,同时谐波分量频率从数十 MHz 达到了接近 1GHz。RF 领域设计师将意识到处理这些信号的难处。在这么高的频率上,组件寄生效应起主导作用,走线成了传输线,还出现了针对电路板周围发送和接收能量的天线。高频分量通过两种方式注入线性稳压器输出:传导和磁耦合。在 RF 领域解决这个问题可以得到最好的效果。
传导信号进入稳压器并到达稳压器输出。线性稳压器本身不能主动抑制任何这类信号,稳压器的单位增益带宽通常最大为 1MHz。稳压器从输入到输出有寄生电容,使高频分量能够通过寄生电容传播。在这些频率上,寄生电感和电阻减弱了输出电容器的作用。
控制传导尖峰的最佳方式是在稳压器输入端使用铁氧体珠。在稳压器工作频率范围内,铁氧体珠提供低损耗通路。随着频率上升到超出这个范围,铁氧体珠阻抗提高,因此限制了高频能量的通过。
像控制传导通路一样,控制辐射信号通路以避免辐射信号到达输出也需要注意细节。铁氧体珠不会阻止辐射能量耦合进稳压器输出。屏蔽是一种好方法,有助于最大限度减少耦合进线性稳压器输出的高频辐射分量。此外,在受高频信号影响的组件之间提供隔离可以降低场强。
考虑一下高频信号进入输出的两条途径,有助于为敏感电路设计出噪声最小的电源。铁氧体珠、屏蔽和距离相结合,将提供最佳的总体抑制。线性稳压器及其输出电容器应该用恰当的材料屏蔽,并放置在物理上距开关电源热回路很远的地方。线性稳压器的输入电容器应该位于靠近开关电源的地方,而不是靠近线 英寸的距离足够减弱与通过电容器的 AC 电流有关的场。最后,铁氧体珠应该放置在开关电源和稳压器之间。铁氧体珠放在输入电容器和稳压器之间没有有害影响。图 B1 显示电路连接原理图,图 B2 突出显示了详细的结构信息。


