Pg电子游戏:高效控制:类比半导体DR7808在新能源汽车中的应用
在当前新能源汽车产业迅猛发展的大潮中,中国汽车芯片的国产化进程显得尤为迫切和重要。随着国家对自主可控技术的高度重视和支持,电机预驱技术正经历着一场深刻的变革。从早期依赖分立元件和继电器的控制方式,到现在向高度集成化的IC解决方案转型,这一转变不仅响应了市场对更高性能、更低成本、更小尺寸、更高安全性和更多元化功能的需求,同时也符合国家推动产业链自主可控、提升关键核心技术的政策导向。
上海类比半导体技术有限公司(以下简称“类比半导体”或“类比”)作为国内领先的模拟及数模混合芯片设计商,成功设计并生产了DR7808预驱芯片,不仅在技术层面实现了重大突破,更在实际应用中展现出卓越的性能和可靠性。DR7808预驱芯片以其优化的集成度和增强的功能性,能够轻松应对当前汽车电子系统设计面临的挑战,同时高效满足客户在多样化应用场景下的具体需求。
在新能源汽车领域,随着车辆电气化程度的加深,电机预驱技术面临着前所未有的挑战。传统电机控制方法,如分立元件与继电器的组合,逐渐显露出局限性,无法满足行业对高性能、成本效率、尺寸紧凑性、安全性和多功能性的新需求。在此背景下,类比半导体推出了DR7808八半桥电机驱动芯片,旨在解决行业痛点,推动技术进步。
与国际竞品相比,DR7808不仅全面覆盖了基础功能,更在支持4路PWM信号输入、过流保护阈值的精细化调节、高低边驱动模式的智能切换、上下管握手逻辑的强化以及离线诊断与在线电流检测等多个方面进行了深度优化和增强。这些创新设计,不仅满足了客户对灵活设计应用的追求,同时也确保了系统运行的稳定性和安全性。


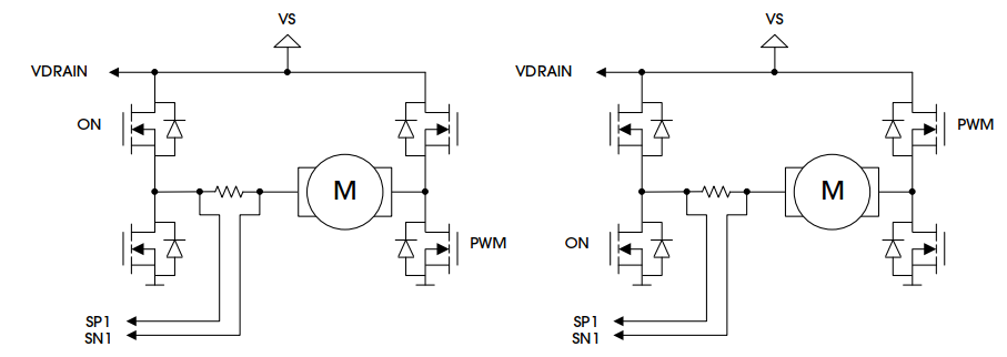
对于座椅记忆功能及其他需要协调四个电机同步工作的应用,DR7808的EN_PWM4引脚展现出了其独特的优势。通过巧妙地设置CSA_OC_SH寄存器中的HB6_PWM4_EN位,EN_PWM4可以转换成为第四个PWM输入,专门用于驱动HB6桥臂。这一设计突破了行业界限,显著区别于最大仅支持三个PWM通道的竞品,为多电机同步控制开辟了新的可能性。
如下示意图,我们简单概述了PWM正向控制与反向控制的配置流程及信号流向。通过将EN_PWM4引脚映射至HB6,HB6内的HS和LS可根据HB6_MODE寄存器的设定转换为有源MOSFET,进而实现PWM驱动下的正向与反向操作。当HB6由EN_PWM4信号驱动时,外部MOSFET的充电与放电过程受到精细化管理,而这一过程的静态电流则由ST_ICHG寄存器中的HB6ICHGST位精准调控。
值得注意的是,EN_PWM4引脚在默认状态下担任芯片使能的角色。一旦HB6_PWM4_EN位被激活,即使EN_PWM4引脚被拉低,芯片也不会随即进入禁用状态。正常应用下,可通过SPI配置重新HB6_PWM4_EN为低来复位EN_PWM4引脚为芯片使能。同时VDD电源下电或是看门狗超时,HB6_PWM4_EN将被复位,EN_PWM4引脚将重新承担起使能职责。随后,当EN_PWM4引脚再次被断言为低电平时,芯片将执行重置操作。为了确保系统的稳定性和可靠性,一个推荐的软件实践是在喂狗前连续读取0x00寄存器三次,若读取数据三次完全一致,则视为喂狗成功;相反,若未能满足这一条件,则需将EN_PWM4引脚设置为高电平状态,以防后续看门狗超时引发的意外重置。


DR7808芯片在栅极驱动电流调节与过流保护方面展现出卓越的性能。其过流保护门限覆盖了从0.075V至2V的宽泛范围,提供16档精细调节,这一设计显著优于竞品0.15V至2V的8档位调节范围,使DR7808得以在小电流应用领域展现出色的适应性和安全性。
不仅如此,DR7808每个栅极驱动器能够通过32个档位精确控制1.0mA至约100mA的电流变化,这一特性直接挑战了传统做法中通过在门级驱动回路中串接不同阻值电阻来改变边沿斜率,以减小MOS开启瞬间电流尖峰的做法。DR7808的这一创新设计无需额外电阻,减少了外围组件数量,从而降低了成本,简化了设计流程,同时也使得调试工作变得更加便捷。
DR7808芯片在栅极驱动器设计上实现了对有源MOSFET和续流MOSFET的充电与放电电流的精密控制,具体配置步骤如下:
1. 初始化配置:首先,通过设置GENCTRL1寄存器中的REG_BANK位,确定即将访问的控制寄存器组。
3. 续流MOSFET电流控制:借助PWM_ICHG_FW寄存器(在REG_BANK=1时),同时配置续流MOSFET的充电和放电电流,确保其在PWM操作下的性能最优。


在H桥功率驱动应用中,上下管的死区控制是确保系统稳定性和安全性的关键环节。传统方法依赖于MCU算法计算死区时间,采用软件方式进行控制,然而在极端条件下,这种做法的可靠性备受质疑。例如,死区时间设置不当、Cgd对栅极电压的耦合效应、极限占空比等因素都可能导致上下管同时导通,引发系统故障。
针对这一挑战,类比半导体在DR7808芯片中引入了一系列创新技术,包括动态死区监控、栅极Hardoff抗耦合、PWM占空比补偿和极限占空比补偿,以解决传统方法的不足。用户只需简单设置相关参数,芯片内置的握手检测机制便会通过电压逻辑判断,当上桥MOS开启时,自动对下桥MOS实施内部Hardoff电流强下拉,确保在任意死区配置下,上下桥MOS绝不会同时开启,从而实现系统运行的稳定与可靠。
DR7808芯片配备了全面的诊断与保护机制,以应对各类潜在故障。以下以供电电压VM异常为例,展示芯片的响应流程:
1. 当供电电压VM从正常值12V骤降至4.5V时,芯片立即触发欠压保护机制。
3. 同时,General Status Register将提供更详尽的故障信息,确保故障状态的及时上报与处理。


在特定工作场景下,如工厂装配线上的尾门自动调整或座椅折叠过程,若电池未能及时为控制板供电,电机在运动中产生的反向电动势(Back EMF)可能逆向流入电源端,对周边电路元件构成威胁,尤其是对敏感的TVS(瞬态电压抑制器)和MOSFET造成潜在伤害。为应对这一挑战,DR7808芯片集成了off-brake保护功能,有效地化解了这一风险。
当DR7808芯片处于passive模式时,其内置传感器持续监测供电电压VS。一旦检测到VS电压超过安全阈值32.5V,芯片即刻响应,自动启动LS4至LS1的MOSFET,迫使电机迅速进入刹车状态。这一动作迅速削减了反向电动势,避免了电机的非计划旋转,同时保护了系统免受高电压冲击。
随后,系统将自动监控VS电压的下降趋势,直至其稳定降至30V以下。此时,off-brake机制自动解除,LS4至LS1的MOSFET随之关闭,恢复正常操作状态。这一连贯的off-brake保护过程确保了VS电压始终保持在安全范围内,有效防止了TVS和MOSFET因过压而损坏,维护了整个系统的稳定性和安全性。

DR7808芯片通过离线状态诊断功能,能够精准实现输出端对电源短路、对地短路以及负载开路的检测,这一机制在设计上独具匠心,为每个MOSFET的栅极驱动器提供了上拉电流(典型值为500μA),并在驱动器激活状态(BD_PASS=0)时,于SHx引脚处提供下拉电流(典型值为1000μA),确保了诊断过程的稳定与精确。
MOSFET对电池短路检测:同样将BD_PASS设为0,HBx_MODE配置为00b或11b,但此时HBxIDIAG应设为1,以启用内部下拉电流,将SHx电压拉至接近SL。随后,读取HBxVOUT寄存器,若读得值为1b,则说明MOSFET与电池相连,存在短路状况。
值得注意的是,上述离线检测功能的有效发挥,需满足桥驱动程序处于活动状态(即BD_PASS=0),并且相应半桥处于断开模式(HBxMODE=00b或11b)的前提条件。每个栅极的下拉电流驱动器由HBIDIAG寄存器中的控制位HBxIDIAG激活,这一精细控制确保了诊断过程的准确执行。在微控制器执行离线状态诊断时,为确保检测的准确性,相关半桥的VDSOV阈值桥接器需通过软件配置,设置为2V的标称值。这一配置步骤是实现离线诊断功能的关键,确保了检测过程中的信号稳定与结果的可靠性。
通过以上精心设计的配置步骤,微控制器能够准确获取HBxVOUT的状态,从而高效、可靠地完成离线诊断任务,为设计者提供了强大而实用的故障排查工具,增强了DR7808芯片在复杂应用场景下的适应能力和系统维护的便利性。
DR7808芯片内部集成了两个高精度CSA电流检测运放,其在offset精度上展现出色表现,误差仅约1mV,这一特性显著优于国际大厂竞品。芯片设计的灵活性体现在其支持多种电流检测方式,既可在电源端串联检流电阻,亦可在接地端使用分流电阻,甚至在电机内部串联分流电阻进行检测,其中电机端检测的独特优势在于能够实时监测双向电流,确保了电机运行状态的全面掌握。
为避免PWM信号引起电流检测运放输入端的高共模电压摆动,建议将PWM信号应用于未连接分流电阻的半桥端。这一布局方式可有效减少信号干扰,确保电流检测的准确性与稳定性。如图8所示,展示了PWM与分流电阻在电机中的典型应用布局,直观地呈现了这一优化连接策略。

在某些应用场景下,PWM信号不可避免地需要应用于分流电阻所在的半桥。此时,为消除高共模电压跳变导致的CSA输出电压毛刺,应通过设置CSAx_SH_EN寄存器(x=1,2)启用CSA PWM抑制功能。同时,CSAx_SEL寄存器的配置需指向需采样的半桥,确保在PWM切换期间,CSA输出保持采样状态,有效避免电压毛刺的产生。采样与保持时间由tcp与tblank决定,这一机制进一步提升了电流检测的精度与可靠性。
DR7808芯片凭借其8个独立可控的半桥设计,展现出了卓越的灵活性与拓展性。每个半桥的上下管均可独立控制,意味着单颗芯片即可支持高达4个H桥配置,或灵活配置为8路高边驱动或低边驱动。这一设计突破了传统方案的局限,为设计人员提供了前所未有的自由度,尤其是在功能域场景中,能够满足大量高边或低边驱动的需求。
传统应用中,大量高边驱动通常依赖于分立器件,如达林顿管和继电器的组合。然而,这些方案存在明显的缺点,包括器件面积大、机械开关寿命短、噪声问题以及高压触点粘连风险,加之需要额外电路实现保护功能,增加了设计的复杂性和成本。相比之下,DR7808的高度集成化设计展现出显著优势,不仅提供了单芯片8路高边或低边驱动的能力,还内建了丰富的保护机制,涵盖过流、过压、欠压和过温等多重防护,配合SPI通信故障诊断上传机制,为系统级功能安全奠定了坚实的基础。
在高低边应用中,DR7808的设计团队特别针对不同场景进行了优化,当用于高边应用时,可以省略低边MOS的使用,反之亦然。这一设计上的考量不仅简化了电路布局,还大幅降低了物料成本,提升了系统的整体性价比。在拥有大量高低边设计需求的场景下,DR7808相比国际竞品展现出更加明显的优势,无论是成本控制还是性能表现,均能脱颖而出。

类比半导体的电驱产品系列,以其与市面上通用产品BOM的无缝兼容性,不仅简化了软件设计流程,还确保了硬件设计的简洁高效,为行业树立了全新的设计标准。在性能层面,我们超越了市场上的竞争对手,不仅在关键指标上领跑,更深入挖掘客户需求,引入了一系列创新功能,直击行业痛点,重塑电机驱动领域的技术格局。
作为类比半导体电驱产品线八半桥预驱芯片凭借其卓越的电流精度、强化的握手逻辑、出色的稳定性和可靠性,完美贴合了市场对多电机控制日益增长的需求。在汽车工业迈向智能化与中央集成化的大趋势下,DR7808以其独特的优势,不仅为客户提供了一站式解决方案,包括GUI软件和C语言底层驱动在内的完整技术服务,更助力客户产品在全球竞争中脱颖而出,为智能出行时代注入强劲动力。
我们诚挚邀请行业伙伴共同探索电驱技术的无限可能,类比半导体承诺以专业、创新的态度,与您一同迎接挑战,把握机遇,共创智能出行的美好未来。热烈欢迎来电洽谈合作,让我们携手书写电驱领域的崭新篇章,引领行业迈向更高成就。
类比半导体是一家模拟及数模混合芯片和解决方案供应商,公司成立于2018年,由一批来自于国际顶尖半导体公司的本土工程师创建。公司总部位于上海,在苏州、深圳、西安、北京分别设有研发和技术支持中心。公司专注于汽车智能驱动、线性产品、数据转换器等领域的芯片设计,产品主要面向工业和汽车等市场。类比致力于为客户提供高品质芯片,为世界科技化和智能化发展提供底层的芯片支持。更多信息请搜索“类比半导体”微信公众号关注我们。
本站部分文章为转载或网友发布,目的在于传递和分享信息,并不代表本网赞同其观点和对其真实性负责;文章版权归原作者及原出处所有,如涉及作品内容、版权和其它问题,我们将根据著作权人的要求,第一时间更正或删除。
国产40V/3.6A可Pin to Pin替代PT2470的直流有刷电机驱动芯片SS8870T
国产两通道H桥电机驱动芯片SS6849H可Pin-Pin替换TMI8549
德州仪器推出先进的 GaN IPM,助力打造尺寸更小、能效更高的高压电机
Power Integrations推出BridgeSwitch-2 BLDC IC产品,增强电机驱动应用的性能水平


