Pg电子游戏:无线病房呼叫系统连接器电路设计详解
在传统的呼叫系统基础上,以80C51系列单片机为核心,设计了一种基于单片机的无线病房呼叫器。介绍了电路设计及软件实现方法,并给出了系统框图、硬件电路及部分程序设计。该呼叫系统使用了专用的高集成度射频无线收发芯片进行传输,不仅避免了传统的有线寻呼系统布线复杂和改建麻烦的问题,而且使整个系统电路简洁、性能稳定。
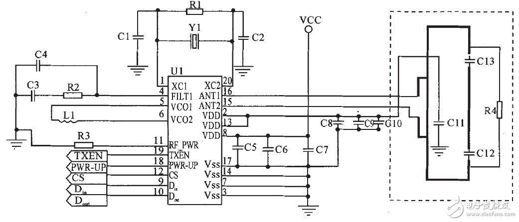
nRF401有休眠(Standby)、接收(RX)和发射(1x)3种工作状态。由nRF401的引脚功能可知,这3种状态问的切换由PWR-UP、TXEN的状态可以确定。DIN、Dout是串行通信El,分别与单片机的串行通信口相连。CS脚则选择工作频率。nRF401与单片机的连接电路如图4所示。在分机上有1个信息确认灯,在信息发送成功后确认灯闪亮1s,可以由单片机的I/O口直接点亮。限流电阻选用100,工作电流即可以满足要求。

主机工作时也要进行状态切换、频率选择和串行通信,实现的方法与分机的一样,所以连接电路和分机的也一样,这里给出nRF401的连接图,如图5所示。

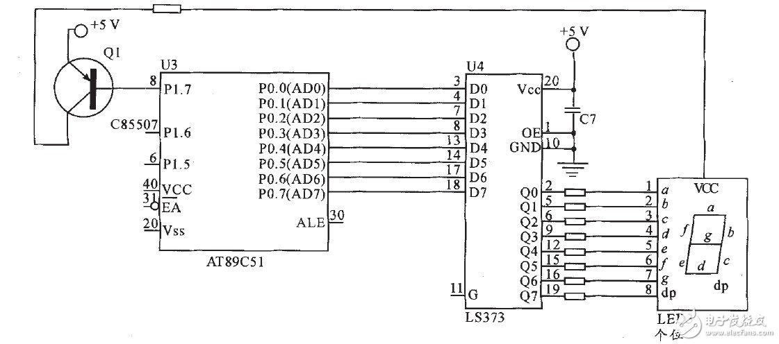
P1.5,P1.6和P1.7端口分别控制数码管的个位、十位和百位的供电,当相应的端口变成低电平时,相应的三极管会导通,+5V的电源通过驱动三极管给数码管相应的位供电,这时只要锁存器口送出数字的显示代码,数码管就能正常显示数字。因为要显示几位不同的数字,所以必须用动态扫描的方法来实现。该系统的显示部分采用LED共阳极接法,采用动态显示。首先将显示的个十百位分别存放,然后逐个取出进行显示。为了防止闪烁,每位LED显示160 us.为了防止重影,当一位显示完毕后立刻将其关闭,然后进行下一位的显示。LED显示电路如图6所示。


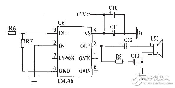
主机在接受到呼叫信号后,首先进行报警告知值班人员。报警电路可以用单片机P2.0输出1 kHz和500 Hz的音频信号经放大后驱动扬声器,发出报警信号,报警发声电路见图8。

本呼叫器的硬件设计电路结构十分简洁,成本低廉,能实现医院呼叫所需的一般功能,但不能完全排除遇到主机忙而导致呼叫失败的情况。一但由于分机上有一个确认灯,遇到呼叫失败的情况,呼叫后确认灯不会闪亮,则需要用户再次呼叫一次。该硬件和软件设计方案已通过实验检验,各项参数稳定,功耗低,系统运行稳定,通信误码率低,具有很好的开发应用前景。
以太网技术资料集锦让以太网技术迈向工业物联时代!


