
-
2024-10-04Pg电子游戏:华硕推12寸双核离子平台上网本EeePC120
华硕首款离子平台上网本Eee PC 1201N终于传来上市信息,几天前,华硕官方宣布其在美国各地供应时间为12月中旬,售价499美元。其后到明年1月份,将会在英国以399英镑成本价开售。 此前英...

-
2024-10-04Pg电子游戏:无线病房呼叫系统连接器电路设计详解
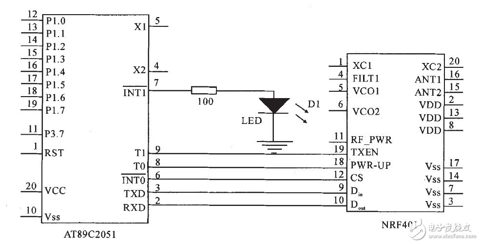
在传统的呼叫系统基础上,以80C51系列单片机为核心,设计了一种基于单片机的无线病房呼叫器。介绍了电路设计及软件实现方法,并给出了系统框图、硬件电路及部分程序设计。该呼叫系统使用了专用的高集成度射...

-
2024-10-04Pg电子平台:我国首次向国际输出核标准级核聚变关键部件
·阿联酋对中国公民开放落地签证过期药品往哪扔?三招防范出境游信用卡遭盗刷今年9月1日起这些新规为你我解忧国管公积金最新提取流程不动产登记,你都知道哪些内容?“微信旅游”需谨慎警惕朋友圈这6个“坑”...

-
2024-10-04Pg电子平台:提供瞬态响应降压转换器Empower(安普沃尔
2023年2月8日,世强先进(深圳)科技股份有限公司(下称“世强先进”)与拥有世界上最快的电源管理设备厂商——Empower Semiconductor(中文名:安普沃尔,下称“Empower”)...

-
2024-10-04Pg电子游戏平台:瞬态抑制二极管的特点瞬态电压抑制二极管封装
二极管)是一种特殊的二极管,用于保护电子设备免受瞬态电压的损害。瞬态电压指的是突然并短暂的电压峰值,可能由于雷击、静电放电或 1. 抑制电压范围广泛:瞬态抑制二极管可在各种电压范围内工作,通常从...


