
-
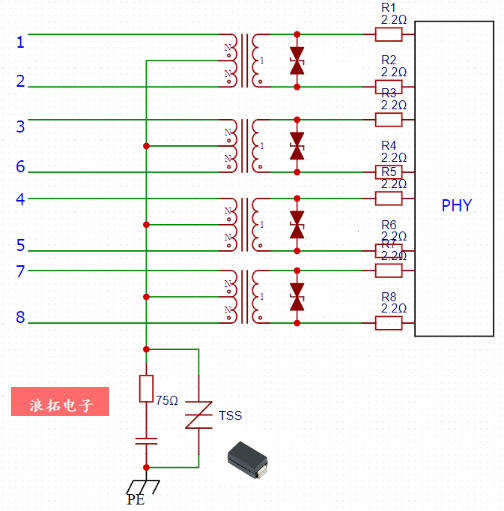
2024-08-28Pg电子游戏:千兆以太网端口浪涌静电防护
以太网端口需要较远距离传输且走线环境多为户外和一些电磁环境较复杂的地方,极易引入各种干扰,包括静电放电和雷击事件,导致后端芯片的损坏、系统重启、死机等现象,所以以太网口必须实现防雷保护和ESD保护...

-
2024-08-27Pg电子平台:吉林空管分局备用自动化系统更新扩容工程备用自动
吉林空管分局备用自动化系统更新扩容工程备用自动化系统采购项目 招标项目的潜在投标人应在北京市朝阳区霄云里2号楼302室获取招标文件,并于2024年09月19日 09点30分(北京时间)前递交投标文...

-
2024-08-27Pg电子游戏:某部中型车载声光驱散系统采购项目(三次)竞争性
当前位置:首页政采公告地方公告竞争性谈判公告 某部中型车载声光驱散系统采购项目(三次) 采购项目的潜在供应商应在网上发送获取采购文件,并于2024年09月05日 09点30分(北京时间)前提交响...

-
2024-08-27Pg电子平台:仪器表征科学家开发新型纳米药物用于治疗动脉粥样
动脉粥样硬化是一种以动脉斑块逐渐沉积为特征的疾病,最终可能导致严重的动脉血栓事件。因此,抗炎策略在临床治疗中显现出巨大的潜力。近来,Canakinumab抗炎血栓结果研究(CANTOS)临床试验对...

-
2024-08-27Pg电子平台:上海市疾病预防控制中心傅里叶近红外光谱仪的公开
每日上午:00:00 至 00-12:00:00下午:12:00 至 00-23:59:59(北京时间,法定节假日除外) 本项目将在上海政府采购网/采购云平台()以线上远程形式开标,不再进行现场...


