Pg电子游戏:低功耗MCU电子电路设计图集锦TOP12—电路图天天读(110)
以STM32F103 作为微处理器,设计一个低成本的无线WiFi 音乐播放系统,结合接收WiFi 数据的WM-G-MR-08(wm631)模块和VS1003B 音频解码器实现MP3 音乐播放。基于Android 系统开发的客户端软件采用手机控制,完成手机端与控制端之间的数据传输,实现手机远程对音乐播放器的控制。结果表明,该系统设备简单方便、成本较低、系统可靠、易于扩展。本设计基于已经发展成熟的WiFi 无线网络,充分利用WiFi 覆盖范围广、传输速度快、抗干扰能力强等优点。Android 具有开源性、封装性、性价比高等优点,基于Android 系统开发的客户端软件移植性强,通用性高。采用手机作为控制终端,便于操作。手机通过无线网络(WiFi)对音乐播放系统进行控制,可以实现方便、快捷、智能化的要求。
VS1003B 是一个单片MP3/WMA/MIDI 音频解码器和ADPCM 解码器。它包含一个高性能、自主产权的低功耗的DSP 处理器核VS_DSP4,工作数据存储器为用户应用提供5KB 的指令ROM 和0.5KB 的数据RAM。其还具有串行的控制和数据接口、1 个高品质可变采样率的ADC 和立体声DAC、4 个常规用途的I/O 口、1 个UART,以及1 个地线缓冲器和耳机放大器。

STM32F103 将从SD 卡里读取的MP3 音频数据流传给音频解码模块,音频解码模块将该数据流解析并转换成模拟信号后再进行输出。VS1003B 与STM32F103 的数据通信是通过J2 排针上的SPI 总线方式进行的。
WiFi(Wireless Fidelity,无线保真技术)的最大优点是传输速度较高,而且能自动调整带宽,可以有效地保障网络的稳定性和可靠性。该设计采用的WM-G-MR- 08 模块不仅具有WiFi 的功能,而且能提供小尺寸和高数据速率的无线连接,可应用于无线PDA、DSC、媒体适配器、微型打印机、条码扫描器、VOIP 电话等。数据存储装置是该WM-G-MR-08 潜在的应用,在嵌入式上的应用主要集中在移动装置方面。在设计中,WM-G-MR-08 模块通过开发板上的J1排针的SPI 引脚与主控芯片通信,ANT1SMACON 为无线所示。

本设计是在ARM7 平台上构建WiFi,成本优势明显。采用当前较新的控制方式智能手机软件控制+无线网络,不仅能充分利用WiFi 的传输速度快、覆盖范围广等优势,而且基于Android 的平台建设成本低、使用方便。同时,这种方式采用的手机软件具有通用性,市场应用价值高,易于推广,能为用户提供优质、方便快捷的音乐播放服务。
该系统的工作原理:由微机编程送出 40kHz 频率的方波信号至信号处理器,信号处理器通过两级放大,再经过压电换能器将信号发射出去,该信号遇到障碍物反射回来在此称为回波。同时,压电换能器将接收的回波,通过信号处理的检波放大、积分整形及一系列常见电路的处理,送至微机处理。显示器的声音告警频率、发光二极管方位指示及障碍物距超声波探头的距离显示均由单片机控制。

12 节循环链表,求每个超声波探头四次测得值的平均值,以减小误差,再比较三个探头平均值,最小的值即为最近的障碍物反射回来回波所需的时间。电原理图如图2 所示,其中图2 中的P3. 4 即SYNC同步周期端接一循环移位计数器的CL K端,Q0 、Q1 、Q2 输出分别控制三个超声换能器使它轮流工作,电路图及工作波形图如图3 、4 所示。
要实现单片机与计算机之间的RS485 通信,一般可以采用2 种方法:一种方法是在单片机与计算机两端分别采用RS232 与RS485 电平转换装置;另一种方法是采用RS485 通信卡,并将其插在计算机主板上。采用前一种方法的优点是硬件装置安装简便,软件编程相对简单;缺点是通信速率被限制在20 kb/s以内。第二种方法的优点是通信距离较远,速率较高,可达10 Mb/s;缺点是需要安装通讯卡和驱动程序,并进行必要的设置。本文采用第二种方法。
采用UART 串行总线进行通信,因为UART 是一种广泛应用于远距离、低速率、低成本通信的串行传输接口,由于其具有数据线少的特点,在数字系统设计中得到了大量应用。基本的UART 通信只需要两根数据线(RXD、TXD)即可完成数据的相互通信,接收和发送都是全双工形式,其中RXD 是接收端,TXD 是发送端。

C8051F020 单片机有2 个UART(UART0 和UARTl),以UART0 为例,它的TxD 和RXD 分别与数字I/0 引脚PO.O 和PO.1 复用,通过交叉开关配置寄存器进行选择。由于MAX485 工作在半双工状态,它与单片机连接时的接线比较简单,只需要用单片机某一个引脚(如PO.2)来控制RE 和DE 这2 个引脚。PCL-846B 通信卡有4 个通道,选择通道1 与单片机进行通信,另外将通道2 和通道4 进行连接,以自发自收的方式实现通信卡的自检。单片机与外部电路的连接关系如图2 所示。在使用RS485 通信卡进行通信时,当信号传递到通信线路两端时,如果阻抗不匹配,可能会产生信号反射问题。信号反射会造成信号的失真和变形,从而导致通信错误。其解决方法就是在通信线路的两端各连接一个终端匹配电阻,保证阻抗匹配。当通信距离较短, 一般在小于300 m 时,可不使用终端电阻。当通信距离大于300 m 时,应当使用终端电阻,其阻值必须与通信线路的线性阻抗相同。电阻值一般选取120 左右,当通信距离较长时,可以选用300 。
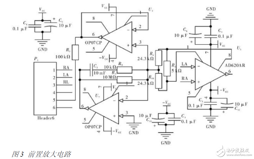
前置放大电路是模拟信号采集的前端,也是整个电路设计的关键,它不仅要求从人体准确地采集到微弱的心电信号,还要将干扰信号降到最低,由于心电信号属于差分信号,所以电路应采用差动放大的结构,同时要求系统具有高共模抑制比、高输入阻抗、低漂移等特点。因此,选择合适的运算放大器至关重要,这里选择仪用运放AD620 实现前置放大,AD620 具有高精度、低噪声、低输入偏置电流低功耗等特点,使之适合ECG 监测仪等医疗应用。AD620 的放大倍数由1 与8 脚之间的反馈电阻决定,增益G=49.4 kRG+1,由于心电信号中含有较大的直流分量,因此前置放大电路的放大倍数不能过大,在这里选择放大约10倍,因此反馈电阻R6 取约5 k,为提高电路的共模抑制能力,这里用一个OP07检测R10,R4 上的共模信号驱动导线屏蔽层,消除分布电容。同时用另一个OP07运放和R5,C3,R7 组成右腿驱动电路,在R10,R4 上检测到的共模信号经反相放大器后经R7,反馈到人的右腿,进一步抑制了共模信号和50 Hz 工频干扰,这里右腿驱动有一个对交流电的反馈通路,交流电的干扰可能对人体产生危害,因此这里要注意做好绝缘措施,同时保护电阻R7 尽可能大,取1 M以上。此外系统电源的不稳定也对心电信号的采集有较大影响,因此在本系统中,所有运放的电源脚都并联两个0.1F 和10F 的电容退耦,提高系统的稳定性,前置放大电路的电路图如图3 所示。

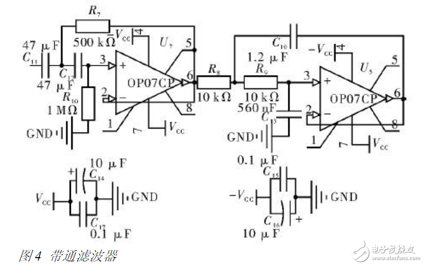
从前置放大电路输出的心电信号还含有较大直流分量和肌电信号,基线漂移等干扰成分,所需采集的有用心电信号在0.03~100 Hz 范围之间,因此需设计合理的滤波器使该范围内的信号得以充分通过,而该范围以外的信号得到最大限度的衰减,这里采用具有高精度,低偏置,低功耗特点的两个 OP07 运放分别组成二阶有源高通滤波器和低通滤波器,高通滤波器由C11,C17,R7,R10 组成,截止频率f10.03 Hz,低通滤波器由R8,R9,C10,C13 组成,截止频率约为f2100Hz,系统带通滤波器的电路如图4 所示。

本设计实现的是以STM32 为控制核心,以AD620,OP07 为模拟信号采集端的小型心电采集仪,该设计所测心电波形基本正常,噪声干扰得到有效抑制,电路性能稳定,基本满足家居监护以及病理分析的要求,整个系统设计简单,成本低廉,具有一定的医用价值。

模块主要由通信升级接口、调试接口、提示信号、LPC812、SLRC610、模块内置天线 所示。
LPC812 是LPC800 系列配置最高的型号,它有TSSOP16、SO2O、TSSOP20 三种封装,因为设计的是小模块,所以选用了sO2O 塑料小型封装。由于LPC812支持通过开关矩阵将特殊功能分配到某个I/O 引脚,所以在设计原理图的时候可以充分考虑将某个功能分配到哪个引脚上既方便布线、性能又好。另外,本次设计中LPC812 内置的1%精度的12 MHz 内部RC 振荡器作系统时钟。主控芯片电路如图2 所示。

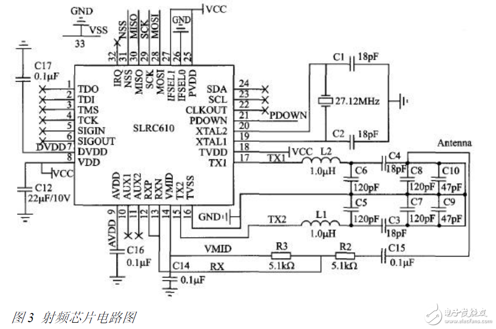
SLRC610 只有一种小型的HVQFN32 封装,特别要注意它的第33 引脚,也就是芯片朝PCB 面正中间一个正方形的面,这个面必须良好接地,否则会出现些奇怪的现象。SLRC610 支持SPI、I2C 总线CI 和UART 四种接口,它会在掉电复位后通过IFSEL0 和IFSEL1 电平组合来判断当前主机接口类型。本次设计是采用了硬编码的SPI 接口,在硬件电路上需IFSEL0 接地、IFSEL1 接VCC。射频芯片电路如图3 所示。其巾,引在SLRC610 芯片中33 引脚VSS 的作用是接地和散热,所以此引脚必须良好接地。

天线的匹配电路包含一个EMC 低通滤波器(L1、L2、C5、C6),一个匹配电路(C3、C4、C7~ C1O),一个接收电路(R2、R3、C15)和天线本身。接收电路的元件值需被特别设计并根据板子实际情况调整。本次设计模块的尺寸有限,接收电路采用了元器件较少的单端模式,且天线线圈是内置在PCB 中间层,以方便应用,减小体积。
本模块设计中采用的是较新的主控和射频芯片,价格较低,性能又强,而且在很长一段时间内不会有供货、价格等方面的问题。LPC800 系列既增加了开关矩阵等实用的功能,方便用户电路设计,也集成了老一代单片机的ISP 升级功能。本文详细描述了这两颗芯片的使用方法以及对模块的调试方法与步骤等。该模块采用贴面封装的元件,具有低成本、低功耗、小尺寸、读写卡距离远等特点,使用起来很方便,具有较高的应用价值。
本文介绍一款具有16 路遥控接点输出的ARTU-J16,该装置通过RS485 总线与上位机相连,作为远程继电器输出模块,用于接收计算机指令,执行系统的遥控操作或自动控制,继电器输出共16 路,装置拥有1600 组操作事件记录,带GPS 校时功能,在外部电源掉电后可以保证SOE 事件记录一个月内不丢失,相对以往控制方式。
拨码开关提供用户一个简化的人机接口,用于设定RS485 通讯中的地址、波特率、数据格式等设定功能,拨码开关(SW1)的10 位数据口都接10k 电阻上拉到Vcc,电路使用一个74HC244(IC5)数据缓冲器,把拨码开关的状态传送到8 位数据总线,剩余两根数据线则直接接到CPU 的I/O 端口(见图2)。

通讯方式采用双路RS485 方式,调试及设定和上位机通讯部分在物理上分成两路,互不干扰,有效防止可能存在的误操作(见图3)。

掉电自动保存部分使用MAX691CWE(IC8)作为电源管理,在系统有辅助供电的情况下保证IC3 由主电源Vcc 供电,当主电源掉电时则自动切换到后备电池供电方式。同时此芯片还兼有看门狗功能,在系统死机的极端情况下及时复位CPU 使系统快速恢复至受控状态(见图5)。

继电器控制输出使用一个74HC273(IC14)锁存需要输出的8 路继电器输出状态,再经由ULN2803(IC15)驱动对应的继电器(K1 只是16 路中的一路),二极管D1 可以旁路继电器K1 在断开的瞬间所产生的反向电流,而并接在K1输出接点上的压敏电阻VZ1 则可以吸收关断后级感性负载所产生的反向电动势,有效延长输出继电器触点的寿命(见图6)。

ARTU-J16 遥控单元国家继电保护及自动化设备质量监督检验中心测试,符合相关标准要求。该产品已在某油田供水供电公司、苏州某税务大厦、内蒙某煤矿等工程配电监控系统中得到应用,降低了投资成本,产生了较好的社会和经济效益。
超声波主控MCU采用EFM32TG840F32,它是基于ARM公司的32位Cortex-M3内核设计而来,对比于传统的8位、16位单片机,它具有更高的运算和数据处理能力,更高的代码密度,更低的功耗。实际数据显示,EFM32TG840在执行 32位乘法运算仅需4个内核时钟周期,32位除法运算仅需8个内核时钟周期,而相应热表上运用的16位单片机却分别需要50和465个时钟周期。而恰恰在时间数据转换芯片TDC-GP21上采集得到的数据均是32位长度,因此在运算和热量计算时均是32位的数据运算。EFM32TG840 具有EM0-EM4共5种低功耗模式。在EM2的低功耗模式下,微控制器仍可实现RTC运行,LEUART、LETIMER及LESENSE的通信或控制功能,而功耗仅需900你A。而且它具有灵活的唤醒方式和自主工作的PRS系统,可以由外部I/O、I2C通信接口、LEUART通信信号等等方式唤醒。
EFM32TG840 集成了820段的LCD驱动器,满足直接驱动超声波热量表液晶屏的需求,而功耗仅为550nA。EFM32TG840的LCD驱动器内部集成电压升压功能和对比度调节功能,可实现在芯片内部VCMP电压比较器监控VDD电压,分等级开启LCD升压及对比度调节,达到LCD的现象效果良好,即使系统电池随着使用时间增加出现电压跌落现象。

EFM32TG840的I/O可以设置为低功耗模式唤醒及GPIO中断模式,因此外部操作按钮可以在低功耗条件下实现交互控制动作。TDC-GP21是德国ACAM公司在2011年11月底推出的新一代专门针对超声波热量表检测计量所用的数字时间转换器。TDC-GP21芯片采用 QFN32封装,除了具备TDC-GP2的功能外,还额外集成了超声波热量表所需要的信号处理模拟部分,例如模拟开关以及低噪声斩波稳定(自动进行温度电压校正)模拟信号比较器。TDC-GP21温度部分集成了施密特触发器,可直接接上温度传感器和参考电阻,就可以进行高精度的测量,测量的性能远远超过热量表所需的要求。7x32bit的EEPROM单元,可用于存储热量表整表的ID信息及配置寄存器信息。
TDC-GP21需要两个供电电压,分别是核心电压VCC和I/O电压Vio,在本方案中采用了ACAM推荐的两个供电电压使用相同的电压源进行供电,并增加去耦双通道滤波电路以达到降低系统噪声的效果。其他部分电路例如换能器、PTC电阻的连接以及晶体的接法均采用原厂提供的官方参考电路进行搭建。在时钟方面TDC-GP21将输出 32.768KHz时钟,为EFM32TG840F32提供低频时钟,可节省主控MCU的低频晶振。

超声波热量表通过MBUS(Meter Bus)总线通信进行自动抄表。现场的热量表可通过MBUS将数据上传到集中器,然后由集中器或再上一级集中器将数据通过以太网或无线GPRS通信模块将数据传输的供暖中心的后台,进行计费及管理。本方案中采用TI公司的MBUS芯片为TSS721A。TSS721A是一种用于仪表总线的收发器集成芯片,其内含接口电路可以调节仪表总线结构中主从机之间的电平,同时该收发器可由总线供电,对从机不增加功率需求,总线可无极性连接。 TSS721A的连接电路如图4所示。

根据《CJ/T 188-2004》技术规范文档,超声波热量表红外通信采用38KHz的载波对通信数据进行调制且有效通信距离大于2m,选用波长为940nm的红外发射管与接收管。供热管理人员可以使用手持红外抄表设备对超声波热量表进行抄表。红外通信电路如图5所示。

高功率激光医疗仪市场需求越来越大,而目人机交互模块前国内此类设备在控制上缺乏对系统安全和出光精准度的考虑。同时随着YY0505-2012 医用电气电磁兼容标准于2014 年的执行,设计符合YY0505-2012 标准的医用设备已迫在眉睫。因此,本文采用模块化设计,设计了一种基于STM32 的2m光纤激光器医疗仪控制系统,将水冷单元的参数监控、电源模块的抗干扰设计、输出功率的校准等集成于一体。测试结果表明,系统可靠稳定,操作方便。
系统硬件以STM32F107VCT6 为核心,硬件框图如图2 所示。精密水冷单元的参数监控包括高低水位、水流量、水压力、水温的监测;以触摸屏为主的人机交互模块集成了出光指示灯、钥匙开关、急停、启动、脚踏、门控等外部硬件控制;配电模块集成了继电器驱动电路和电磁兼容设计。其中,水冷单元、光纤激光器、触摸屏和音效合成模块分别通过RS232 与主控制器通信。

为实现高可靠性,配电模块电路采用冗余设计,每路继电器驱动电路控制两个固态继电器。以图3 所示激光器的继电器驱动电路为例,U5、U6 代表两个继电器,输出端分别串联到电源的零线和火线上,实现同开同断,避免某一个继电器发生故障时影响整个系统的工作。每路信号除通过I/O 控制外,急停信号也对继电器可控,达到软件和硬件同时急停的目的。选用的急停按钮是常闭型,高电平有效,当急停触发时,Q3 不导通,致9 引脚电平拉低,再与I/O 信号经过与门,输出也为低电平,致Q4 不导通,继电器处于开路状态,电源断路。

另外,电路一方面在STOP 和I/O 信号接口处接入5V 瞬态抑制管,以防止静电积累损坏器件;另一方面在Q4 导通时D3 点亮作为电路工作状态指示,当系统出现异常时方便故障排查。
本文设计了一种基于2m 高功率光纤激光器的医疗仪,以STM32 为控制核心,完成了人性化的人机触控界面功能设计、激光器的驱动控制、精密水冷单元的参数监控、配电模块的抗干扰设计以及输出功率的校准。输出功率0W 或4W~80W,步进长度1W 连续可调,可通过脚踏自由切换汽化和凝血两种功率参数输出;温度采集精度0.5℃,水流量3.6L/min,符合IPG-TLR-80-WC-Y12 型号光纤激光器正常工作要求。经过功率校准算法,用户设置功率与终端采集功率的最大偏差由之前的63.6%降低到2.5%,控制精度为1W.测试结果表明,该系统具有可靠性高、抗干扰能力强、输出功率稳定准确、操作便利等优点。
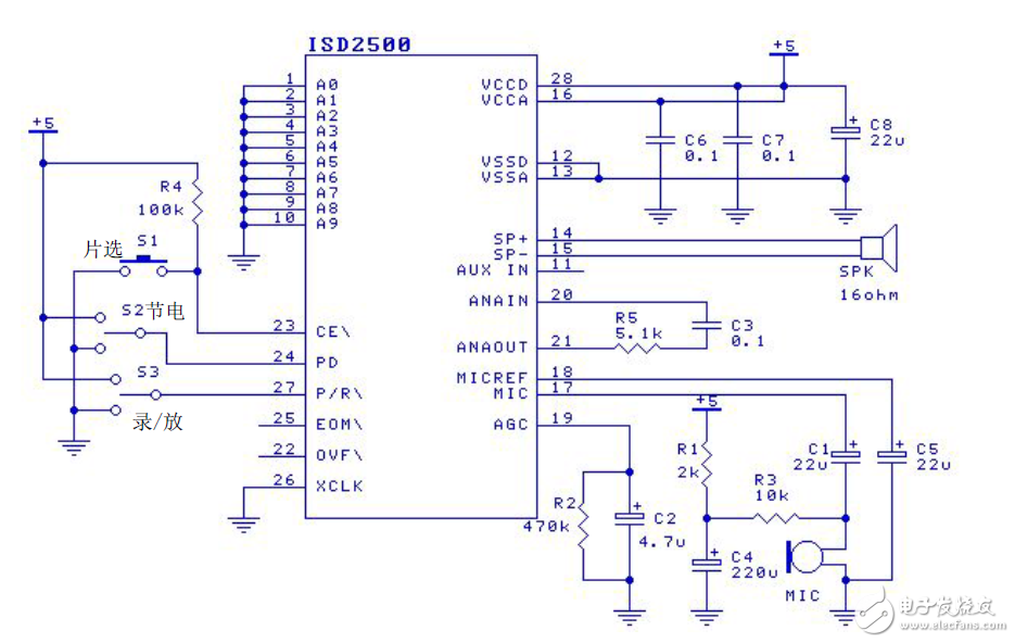
ISD2560 是ISD 系列单片语音录放集成电路的一种,是一种永久记忆型录放语音电路,录音时间为60 秒,能重复录放达10 万次。它采用直接电平存储技术,省去了A/D、D/A 转换器。ISD2560 集成度高,内部包括前置放大器、内部时钟、定时器、采样时钟、滤波器、自动增益控制、逻辑控制、模拟收发器、解码器、和480KB 的EERPOM 等。内部EERPOM存储单元,均匀分为600 行,具有600 个地址单元,每个地址单元指向其中一行,每一个地址单元的地址分辨率为100MS。ISD2560 控制电平与TTL 电平兼容,接口简单,使用方便。

ISD2560 内置了若干操作模式,可用最少的外围器件实现最多的功能。操作模式也有地址端控制;当最高位都为1 时,其他地址端最高就选择某个模式。因此操作模式和直接寻址相互排斥。操作模式可由微控制器也可有硬件实现。基本电路原理图如下:录音按下录音键接地,是 PD 端、P/R 端为低电平,此时启动录音;结束时松开按键,单片机有让P/R 端回到高电平,既完成一段语音的录制。同样的方法可录取第二段、第三段等。值得注意的是,录音时间不能超过预先设定的每段语音的时间。放音的操作更为简单,按下录音键接高电平,使P/D 端P/R 端为低电平启动方音功能;结束时,松开按键,即完成一段语音的播放。
录音时,按下录音键,单片机通过D 端口线设置语音段的起始地址,再使PD 端、P/R 端为低电平启动录音;结束时,松开按键,单片机有让P/R 端回到高电平,即完成一段语音的录制。同样的方法可以录取第二段、第三段等。值得注意的是,录音时间不能超过预先设定的每段语音的时间。
放音时,根据需播放的语音内容,找到相应的语音段起始地址,并通过口线送出。P/R 端设为低电平,并让/CE 端产生一负脉冲启动放音,这时单片机只需要等待ISD2560信息结束信号。信号为一负脉冲,在负脉冲的上升沿,该段语音才播放结束,所以单片机必须要检测到的上升沿才能播放第二段,否则播放的语音就不连续。ISD2560 与单片AT89C2051 的接口电路以及外围电路如图所示。单片机的P1 口、P3.4 和P3.5 分别与ISD2560 的地址线相连,用以设置语音段的起始地址。P3.0~P3.3 用以控制录放音状态。P3.7 连接一按键,供录音时使用。由TL7705 构成可靠复位及电源监视电路。

ISD2560 虽然提供了地址输入线,但它的内部信息段的地址却无法读出。本系统采用单片机来控制,不需读出信息地址,而直接设置信息段起始地址。其实现方式有两种:一是由于ISD2560的地址分辨率为100 ms,所以可用单片机内部定时器定时100 ms,然后再利用一计数器对单片机定时次数进行计数,则计数器的计数值为语音段所占用的地址单元。该方式能充分利用ISD2560内部的E2PROM,在字段较多时可利用该方法。二是语音字段如果较少,则可根据每一字段的内容多少,直接分配地址单元。一般按每1 s 说3 个字计算,60 s 可说180 个字,再根据ISD2560 的地址分辨率为100 ms,即可计算出语音段所需的地址单元数。本电路采用第二种方式。
现阶段,电子设备诸如智能手机、平板电脑、笔记本几乎都是线充,不仅携带不方便,而且成本还比较高。基于MSP430 单片机的无线充电器设计方案,由能量发送单元和能量接收单元两大部分组成,利用电磁感应原理实现电能无线传递的充电器。本无线充电系统的设计是用线圈耦合方式传递能量,使接收单元接收到足够的电能,以保证后续电路能量的供给。由于无线传电电压随能量发送单元和接收单元耦合线圈的间距D 在测试中需要改变,而充电时间相对固定,便于控制,所以充电方式上选择固定电流充电的恒流充电方案。在器件选择上选择有多种省电模式,功耗特别省,抗干扰力特强的MSP430 系列超低功耗单片机MSP430F2274作为无线传能充电器的监测控制核心芯片,电压和充电时间显示采用低功耗OCM1268649 液晶屏,以提高充电电路的能量利用效率。
直流输入采用单刀双闸继电器,交流上电常开闭合,常闭打开实现交流优先,交流断电继电器断电,常闭闭合,实现自动切换。在切换时,时间很短,C1 可提供一定时间的电量,可以实现不断电切换,不影响充电。见图2 所示。

发射电路由振荡信号发生器和谐振功率放大器两部分组成, 见图3 所示。采用NE555 构成振荡频率约为510KHZ 信号发生器,为功放电路提供激励信号;谐振功率放大器由Lc 并联谐振回路和开关管IRF840 构成。振荡线mm 的漆包线uH ,由, 当谐振在510KHZ 时,与其并联的电容c5、c6 约为680P,可用470pF 的固定电容并联一个200PF 的可调电容,可方便调节谐振频率。

大功率管TRF840 最大电流为8A、完全开启时内阻为0.85 欧,管子发热量大,所以需要加装散热片。当功率放大器的选频回路的谐振频率与激励信号频率相同时,功率放大器发生谐振,此时线圈中的电压和电流达最大值,从而产生最大的交变电磁场。当接收线圈与发射线圈靠近时,在接收线圈中产生感生电压,当接收线圈回路的谐振频率与发射频率相同时产生谐振,电压达最大值。构成了如图4 所示的谐振回路。实际上,发射线圈回路与接收线圈回路均处于谐振状态时,具有最好的能量传输效果。

如图5 所示,电能经过线圈接收后,高频交流电压经快速二极1N4148 进行全波整流,3300F 的电容滤波,再用5.1v 压二极管稳压,输出直流电为充电器提供较为稳定的工作电压。

充电效率是一个不得不考虑的问题。本设计系统可以在发射接收电路的能量传输部分做适当改进,以获得更高的效率和更远的距离;也可以设计充电设备检测电路, 在没有能量接收电路时能量发送部分处于睡眠状态,当能量接收电路靠近发送部分时,激活发射电路开始充电。本设计系统达到了设计要求,具有无线充电、携带方便、成本低、无需布线等优势,有着广泛的应用前景。
在线串行编程ICSP,是PIC单片机的特点之一,它可以把程序直接烧写到单片机中,并对单片机进行在线串行编程与调试。ICSP接口电路只有五根线,依次为: VPP、VDD、VSS、PGD、PGC,它们与PIC单片机的连接如下图:

为保证ICSP安全正常工作,烧写时序线PGD和PGC、烧写电压VPP要与其它电路完全隔离。
本设计中的USB接口图如下,PIC18F4550采用总线供电模式,应用的所有电源均来自USB。USB四根接线中,D+,D-是USB通信的两个数据线V 稳压器,为内部收发器和内部/外部上拉电路提供电源。使用USB功能时,要设置内部稳压器使能。外接电容Cusb是为PIC单片机稳定运行而加的。

A/D转换模块集成在PIC18F4550内部,是数据采集电路的主要组成部分。40 引脚的PIC18F4550内置的模数转换器,具有13 路输入,10位数字信号输出,可以直接使用。
1)I2C总线C总线是一种两线制串行总线,通过SDA和SCL在连到总线上的器件之间传送数据,根据唯一地址识别每个器件,用于连接微控制器及其外围设备。
SPI总线系统是一种同步串行外设接口,它可以使微控制器与各种外围设备以串行方式进行通信。

Mega16已经内置了上电复位设计。并且在熔丝位里,可以控制复位时的额外时间,故AVR外部的复位线路在上电时,可以设计得很简单:直接拉一只10K的电阻到VCC即可 (R0)。为了可靠,再加上一只0.1uF的电容(C0)以消除干扰、杂波。D3(1N4148)的作用有两个:作用一是将复位输入的最高电压钳在 Vcc+0.5V 左右,另一作用是系统断电时,将R0(10K)电阻短路,让C0快速放电,让下一次来电时,能产生有效的复位。当AVR在工作时,按下S0开关时,复位脚变成低电平,触发AVR芯片复位。
重要说明:实际应用时,如果你不需要复位按钮,复位脚可以不接任何的零件,AVR芯片也能稳定工作。即这部分不需要任何的外围零件。

Mega16已经内置RC振荡线M的振荡频率。不过,内置的毕竟是RC振荡,在一些要求较高的场合,比如要与RS232通信需要比较精确的波特率时,建议使用外部的晶振线S系列,晶振两端均需要接22pF左右的电容。Mega系列实际使用时,这两只小电容不接也能正常工作。不过为了线路的规范化,我们仍建议接上。

为减小AD转换的电源干扰,Mega16芯片有独立的AD电源供电。官方文档推荐在VCC串上一只10uH的电感(L1),然后接一只0.1uF的电容到地(C3)。Mega16内带2.56V标准参考电压。也可以从外面输入参考电压,比如在外面使用TL431基准电压源。不过一般的应用使用内部自带的参考电压已经足够。习惯上在AREF脚接一只0.1uF的电容到地(C4)。重要说明:实际应用时,如果你想简化线路,可以将AVCC直接接到VCC,AREF悬空。即这部分不需要任何的外围零件。

ISP下载接口,不需要任何的外围零件。使用双排2*5插座。由于没有外围零件,故PB5(MOSI)、PB6(MISO)、PB7(SCK)、复位脚仍可以正常使用,不受ISP的干扰。重要说明:实际应用时,如果你想简化零件,可以不焊接2*5座。但在PCB设计时最好保留这个空位,以便以后升级AVR内的软件。

重要说明:实际应用时,如果你不想使用JTAG仿线K的上拉电阻的影响,可以将JP1-JP4断开。

AVR单片机最常用的是5V与3.3V两种电压。本线路以开关切换两种电压,并且以双色二极管指示(5V时为绿灯,3.3V时为红灯)。二极管D1防止用户插错电源极性。D2可以允许用户将电压倒灌入此电路内,不会损坏1117-ADJ。
1117-ADJ的特性为1脚会有50uA的电流输出,1-2脚会有1.25V电压。利用这个特点,可以计算出输出电压:当 SW开关打向左边时,R6上的电流为 1.25/0.33 = 3.78ma 。R8上的电流为1117-ADJ 1脚电流加上R6上的电流,即0.05+3.78=3.83ma. 可以计算得R8上的电压为3.84V。 于是得出VCC=1.25+3.83=5.08V。误差在2%以内。当 SW开关打向右边时,R6上的电流为 1.25/0.62 = 2.02ma 。R8上的电流为1117-ADJ 1脚电流加上R6上的电流,即0.05+2.02=2.07ma. 可以计算得R8上的电压为2.07V。 于是得出VCC=1.25+2.07=3.32V。误差在1%以内。使用1%精度的电阻,可以控制整个输出电压误差在3%以内。

LED 旋转显示器时基于视觉暂留原理,开发的一种旋转式LED 显示屏。其在具有一定转速地载体上安装16 个LED 发光器件,各LED 发光管等间距排位一条直线,随着旋转速度的加快,在计算机软件精确的时序控制下,不断扫描出预设的文字,图案等。使用一个光耦(U 型槽的红外对管)作为定位传感器,当旋转一周时,挡光板遮挡光源,光敏三极管的集电极输出高电平,当离开挡光板时,集电极再次输出低电平,从而给单片机一个下降沿的跳变型号,产生一个中断,从而更新显示。供电部分,因为整个装置是在不停的高速旋转当中,所以我们做了一个简单的电刷装置,把220V 的交流电通过变压器变成12V 的交流电,再由桥式整流电路,和滤波电路,变为平滑的直流电,最后通过7805 芯片输出我们需要的5V 直流电源,通过电刷把电源和指针板上的单片机连接为其供电。而旋转载体因为需要12V 的电压源,所以采用分别供电的方式。

对射式U 型槽光耦具有,响应速度快,驱动简单,安装容易,容易于单片机通信等特点。如图所示,当上电之后,光耦的光敏三极管的集电极时输出低电平,当有物体挡住了光敏三极管感应的红外光线时,光敏三极管的集电极和发射极处于高阻态,所以集电极输出高电平,当光敏三极管再次感应到红外光源的时候,集电极再次输出低电平,从而给单片机一个中断信号。

LED 显示器具有功耗低,接口控制方便等优点,而且模块的接口信号和操作指令具有广泛的兼容性,并能直接与单片机接口,可方便地实现各种不同的操作,在各类测量及控制仪表中被广泛的应用。当在LED 上显示汉字时,应先取得汉字的点阵构成数据,然后将其写入显示存储器中进行显示。旋转LED 显示器是一种通过同步控制发光二极位置和点亮状态来实现图文显示的新型显示器,其结构新颖,成本低廉,可视角度达360。

本文提出了一种基于STC12C5A60S 的直流电子负载的设计方案。主要以高速、低功耗、超强抗干扰STC12C5A60S 单片机为控制核心设计直流电子负载。包括控制电路(MCU)、主电路、采样电路、显示电路等,能够检测被测电路的电流值、电压值等各个参数,并能直观的在液晶上显示。本系统由自锁开关控制电路的工作状态,通过手动调节开关切换在恒压、恒流、恒阻电路之间的工作状态,由LED 灯指示相应的工作状态。系统的稳压范围为1V-30V,稳流范围为100mA-3.5A,误差0-5%在题目要求范围内,达到题目要求并扩展了恒压、恒流的范围。由单片机控制,通过按键达到对恒压值或恒流值在一定范围内的控制,设置了过载保护,通过亮灯显示过载。
方案通过两个自锁开关来控制电路的工作状态,在恒压、横流、恒阻之间进行切换,通过stc12c5a60s 单片机通过D/A 芯片控制恒压、恒流等的值,stc12c5a60s 是高速、低功耗、超强抗干扰的新一代8051单片机,指令代码完全兼容传统的8051,但速度快8-12倍,8路高速10位A/D 转换。采用大功率NMOS 管IRF540,该管导通电阻足够小,源漏抗击穿能力足够强。软硬件结的方式,方便简洁实现了不同模块之间的转换,很好的完成了恒压、恒流等基本功能,并完成了恒阻等附加功能。
TEXT 和GND 的为测试点。电路整体是个负反馈:当TEXT 高于设定值时,运放输出高电压,Q1 导通度增加,负载阻抗变小,和电源内阻分压,TEXT 减小,直至V+=V-;当TEXT 低于设定值时,运放输出低电压,Q1到通度减小,负载和电源内阻分压变大,TEXT 增大,直至V+=V-。


提出一种基于STC12C5A60S 的直流电子负载的设计方案。本方案中设计的直流电子负载主要以高速、低功耗、超强抗干扰STC12C5A60S 单片机为控制核心,由自锁开关控制电路的工作状态,通过手动调节开关切换在恒压、恒流、恒阻电路之间的工作状态。系统的稳压范围为1V-30V,稳流范围为100mA-3.5A,误差0-5%在题目要求范围内,达到对恒压值或恒流值在一定范围内的控制, 设置了过载保护,通过亮灯显示过载,经验证,本方案具有实际的应用价值。


