Pg电子游戏平台:开关电源模块化设计及继电保护电路设计—电路图天天读(247)
利用单片机控制技术和软开关技术进行电源系统的模块化设计和并联均流运行控制,可以实现
该样机主要由一个控制模块、三个电源模块和一个电源底板组成。其电源模块主要技术参数为:

1、可以简单实现主回路开关良好的软开关条件,开关工作于零电流关断状态,大大减小了开关损耗,适合采用IGBT开关。
2、输出模式为电流模式,输出电流正比于工作频率。若控制电路可以确保零电流关断,则工作频率存在不会超越的上限,故输出电流亦不会超限,过载情况下,输出电压将自动下降。
3、高频逆变电流Io为近似正弦波电流,且其频率即主回路工作频率,频率较之准谐振软开关模式低一个数量级,加之采用软开关,因此主回路EMC特性非常优异,且变压器副边高频整流桥亦自然工作于良好的零流软开关工作状态。
4、因主回路电流为近似正弦波电流,因此主回路输入输出滤波电容所受冲击亦较小,且输出电压纹波亦较小。

继电保护装置对电力系统的安全可靠运行有着十分重要的作用而继电保护用开关电源是继电保护装置中的主要功能模块电源性能的好坏直接影响到继电保护装置可靠性。
继电保护用开关电源是一种工作在恶劣环境下的电源它必须能够在20 70 的宽温域内正常工作与一般系统电源相比它有自身特殊的要求。
根据各种开关电源的结构结合继电保护装置的特点设计了一种单端反激式[1]继电保护用开关电源其工作原理为从交流电网输入的50Hz220V AC 电压经过EMI防电磁干扰滤波直接整流滤波经过变换器将直流电压275V 变换为数十kHz的高频方波电压经过高频变压器隔离降压再经过高频整流滤波输出直流电压经取样比较放大及控制驱动电路控制变换器中功率开关管的占空比得到稳定输出电压。
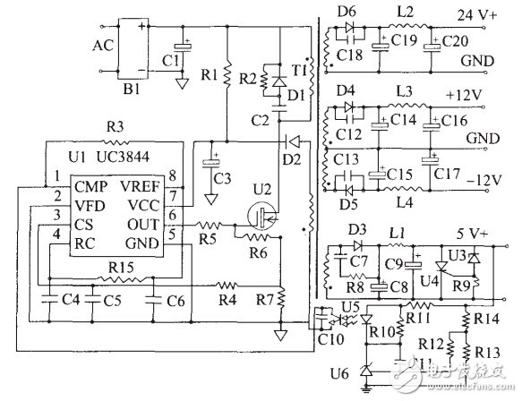
本文介绍的继电保护用开关电源设计中控制电路采用了UC3844 UC3844是一种高性能的固定频率电流型控制器单端输出可直接驱动双级型晶体管和MOSFET场效应管UC3844内部简化原理框图如图3所示。

UC3844封装形式为DIP8 共有8个引脚各脚功能如图1所示以UC3844为控制芯片的单端反激式开关电源电路原理如图4所示。

图4中高频变压器实现了电隔离电流反馈环由R4R5R7C5U2UC3844的3脚等组成 当由于输出端短路或者输出过载时使变压器原边电流变大引起UC3844的3脚电压变大 当3脚电压大于1V时通过内部电流放大器使导通宽度变窄 从而达到对MOSFET管及变压器保护的目的。
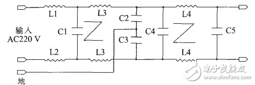
电源抗干扰设计外界干扰主要来自电源输入端所以干扰向大地泄放的回路主要设计在输入电路里面电源线上的干扰有共模干扰和差模干扰两种方式共模干扰存在于电源任何一相对大地之间差模干扰存在于电源相线与中线以
及相线与相线之间 利用EMI滤波器能够有效抑制共模干扰和差模干扰显著改善开关电源的抗干扰性所以第一道防线就设计在输入端的输入滤波器输入EMI滤波器电路如图5所示。

图5中L1L2和C1用于滤除差模干扰信号L3L4和C2C3用于滤除共模干扰信号图中第一级共模滤波器使用足够截面积的高频响应的镍锌铁氧体磁环第二级共模滤波器线圈磁芯使用高导磁率锰锌铁氧体。
编辑点评:本文通过对开关电源的主回路结构和基本特征进行分析,利用单片机控制技术和软开关技术进行电源系统的模块化设计,本电源具有较好的性能满足继电保护用开关电源的技术指标和国家标准要求并已批量应用于继电保护装置工作稳定可靠。


