Pg电子平台:开关电源拓扑结构详解
开关电源中,功率电流流经的通路。主回路一般包含了开关电源中的开关器件、储能器件、脉冲变压器、滤波器、输出整流器、等所有功率器件,以及供电输入端和负载端。
开关电源(直流title=变换器>
变换器)的类型很多,在研究开发或者维修电源系统时,全面了解开关电源主回路的各种基本类型,以及工作原理,具有极其重要的意义。
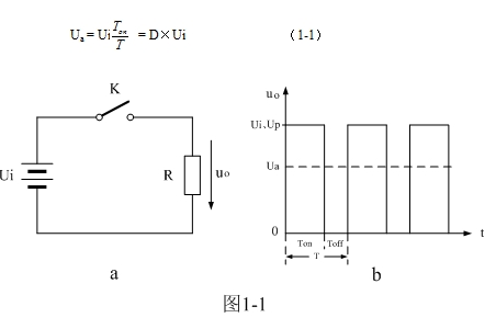
串联在主回路中开关器件(下图中所示的开关三极管T)与输入端、输出端、电感器L、负载RL四者成串联连接的关系。
开关管T交替工作于通/断两种状态,当开关管T导通时,输入端电源通过开关管T及电感器L对负载供电,并同时对电感器L充电,当开关管T关断时,电感器L中的反向电动势使续流二极管D自动导通,电感器L中储存的能量通过续流二极管D形成的回路,对负载R继续供电,从而保证了负载端获得连续的电流。

串联式结构,只能获得低于输入电压的输出电压,因此为降压式变换。例如buck拓扑型开关电源就是属于串联式的开关电源
上图是在图1-1-a电路的基础上,增加了一个整流二极管和一个LC滤波电路。其中L是储能滤波电感,它的作用是在控制开关K接通期间Ton限制大电流通过,防止输入电压Ui直接加到负载R上,对负载R进行电压冲击,同时对流过电感的电流iL转化成磁能进行能量存储,然后在控制开关T关断期间Toff把磁能转化成电流iL继续向负载R提供能量输出;C是储能滤波电容,它的作用是在控制开关K接通期间Ton把流过储能电感L的部分电流转化成电荷进行存储,然后在控制开关K关断期间Toff把电荷转化成电流继续向负载R提供能量输出;D是整流二极管,主要功能是续流作用,故称它为续流二极管,其作用是在控制开关关断期间Toff,给储能滤波电感L释放能量提供电流通路。
在控制开关关断期间Toff,储能电感L将产生反电动势,流过储能电感L的电流iL由反电动势eL的正极流出,通过负载R,再经过续流二极管D的正极,然后从续流二极管D的负极流出,最后回到反电动势eL的负极。
对于图1-2,如果不看控制开关T和输入电压Ui,它是一个典型的反г 型滤波电路,它的作用是把脉动直流电压通过平滑滤波输出其平均值。

主回路开关电源中,功率电流流经的通路。主回路一般包含了开关电源中的开关器件、储能器件、脉冲变压器、滤波器、输出整流器、等所有功率器件,以及供电输入端和负载端。
开关电源(直流变换器)的类型很多,在研究开发或者维修电源系统时,全面了解开关电源主回路的各种基本类型,以及工作原理,具有极其重要的意义。
串联在主回路中开关器件(下图中所示的开关三极管T)与输入端、输出端、电感器L、负载RL四者成串联连接的关系。
开关管T交替工作于通/断两种状态,当开关管T导通时,输入端电源通过开关管T及电感器L对负载供电,并同时对电感器L充电,当开关管T关断时,电感器L中的反向电动势使续流二极管D自动导通,电感器L中储存的能量通过续流二极管D形成的回路,对负载R继续供电,从而保证了负载端获得连续的电流。

串联式结构,只能获得低于输入电压的输出电压,因此为降压式变换。例如buck拓扑型开关电源就是属于串联式的开关电源
上图是在图1-1-a电路的基础上,增加了一个整流二极管和一个LC滤波电路。其中L是储能滤波电感,它的作用是在控制开关K接通期间Ton限制大电流通过,防止输入电压Ui直接加到负载R上,对负载R进行电压冲击,同时对流过电感的电流iL转化成磁能进行能量存储,然后在控制开关T关断期间Toff把磁能转化成电流iL继续向负载R提供能量输出;C是储能滤波电容,它的作用是在控制开关K接通期间Ton把流过储能电感L的部分电流转化成电荷进行存储,然后在控制开关K关断期间Toff把电荷转化成电流继续向负载R提供能量输出;D是整流二极管,主要功能是续流作用,故称它为续流二极管,其作用是在控制开关关断期间Toff,给储能滤波电感L释放能量提供电流通路。
在控制开关关断期间Toff,储能电感L将产生反电动势,流过储能电感L的电流iL由反电动势eL的正极流出,通过负载R,再经过续流二极管D的正极,然后从续流二极管D的负极流出,最后回到反电动势eL的负极。
对于图1-2,如果不看控制开关T和输入电压Ui,它是一个典型的反г 型滤波电路,它的作用是把脉动直流电压通过平滑滤波输出其平均值。

并联在主回路中,相对于输入端而言,开关器件(下图中所示的开关三极管T)与输出端负载成并联连接的关系。
开关管T交替工作于通/断两种状态,当开关管T导通时,输入端电源通过开关管T对电感器L充电,同时续流二极管D关断,负载R靠电容器存储的电能供电;当开关管T关断时,续流二极管D导通,输入端电源电压与电感器L中的自感电动势正向叠加后,通过续流二极管D对负载R供电,并同时对电容器C充电。

由此可见,并联式结构中,可以获得高于输入电压的输出电压,因此为升压式变换。并且为了获得连续的负载电流,并联结构比串联结果对输出滤波电容C的容量有更高的要求。例如boots拓扑型的开关电源就是属于并联型式的开关电源。

极性反转输出电压与输入电压的极性相反。电路的基本结构特征是:在主回路中,相对于输入端而言,电感器L与负载成并联。(也是串联式开关电源的一种,一般又称为反转式串联开关电源)

开关管T交替工作于通/断两种状态,工作过程与并联式结构相似,当开关管T导通时,输入端电源通过开关管T对电感器L充电,同时续流二极管D关断,负载RL 靠电容器存储的电能供电;当开关管T关断时,续流二极管D导通,电感器L中的自感电动势通过续流二极管D对负载RL供电,并同时对电容器C充电;由于续流二极管D的反向极性,使输出端获得相反极性的电压输出。

由(1-27)式可以看出,反转式串联开关电源输出电压与输入电压与开关接通的时间成正比,与开关关断的时间成反比。
隔离输入端与输出端电气不相通,通过脉冲变压器的磁偶合方式传递能量,输入输出完全电气隔离。
正激式:就是只有在开关管导通的时候,能量才通过变压器或电感向负载释放,当开关关闭的时候,就停止向负载释放能量。目前属于这种模式的开关电源有:串联式开关电源,bucktitle=拓扑结构>
拓扑结构开关电源,激式变压器开关电源、推免式、半桥式、全桥式都属于正激式模式。
反激式:就是在开关管导通的时候存储能量,只有在开关管关断的时候释放才向负载释放能量。属于这种模式的开关电源有:并联式开关电源、boots、极性反转型变换器、反激式变压器开关电源。
正激变压器脉冲变压器的原/付边相位关系,确保在开关管导通,驱动脉冲变压器原边时,变压器付边同时对负载供电。
所谓正激式变压器开关电源,是指当变压器的初级线圈正在被直流电压激励时,变压器的次级线圈正好有功率输出。(正激式变压器开关电源是推免式变压器开关电源衍生过来的,推免式有两个控制开关,正激式改成一个开关控制。)

U1是开关电源的输入电压,N是开关变压器,T是控制开关,L是储能滤波电感,C是储能滤波电容,D2是续流二极管,D3是削反峰二极管,RL是负载电阻。
在上图中,需要特别注意的是开关变压器初、次级线圈的同名端。如果把开关变压器初线圈或次级线圈的同名端弄反,上图就不再是正激式变压器开关电源了
该电路的最大问题是:开关管T交替工作于通/断两种状态,当开关管关断时,脉冲变压器处于“空载”状态,其中储存的磁能将被积累到下一个周期,直至电感器饱和,使开关器件烧毁。图中的D3与N3构成的磁通复位电路,提供了泄放多余磁能的渠道。
所谓反激式变压器开关电源,是指当变压器的初级线圈正好被直流电压激励时,变压器的次级线圈没有向负载提供功率输出,而仅在变压器初级线圈的激励电压被关断后才向负载提供功率输出,这种变压器开关电源称为反激式开关电源。
反激式电路与正激式电路相反,脉冲变压器的原/付边相位关系,确保当开关管导通,驱动脉冲变压器原边时,变压器付边不对负载供电,即原/付边交错通断。脉冲变压器磁能被积累的问题容易解决,但是,由于变压器存在漏感,将在原边形成电压尖峰,可能击穿开关器件,需要设置电压钳位电路予以保护D3、N3构成的回路。从电路原理图上看,反激式与正激式很相象,表面上只是变压器同名端的区别,但电路的工作方式不同,D3、N3的作用也不同。


(1-110)式中,Uo为反激式变压器开关电源的输出电压,Ui变压器初级线圈输入电压,D为控制开关的占空比,n为变压器次级线. 推挽 Push pull (变压器中心抽头)式
这种电路结构的特点是:对称性结构,脉冲变压器原边是两个对称线圈,两只开关管接成对称关系,轮流通断,工作过程类似于线性放大电路中的乙类推挽功率放大器。
主要优点:高频变压器磁芯利用率高(与单端电路相比)、电源电压利用率高(与后面要叙述的半桥电路相比)、输出功率大、两管基极均为低电平,驱动电路简单。

这种电路结构的特点是:由四只相同的开关管接成电桥结构驱动脉冲变压器原边。

电路的结构类似于全桥式,只是把其中的两只开关管(T3、T4)换成了两只等值大电容C1、C2。
主要优点:具有一定的抗不平衡能力,对电路对称性要求不很严格;适应的功率范围较大,从几十瓦到千瓦都可以;开关管耐压要求较低;电路成本比全桥电路低等。这种电路常常被用于各种非稳压输出的DC变换器,如电子荧光灯驱动电路中。

本文的第一部分为“DC/DC电源变换器拓扑的分类”,第二部分是在参考美国TI公司资料的基础上撰写而成的,新增加了各种DC/DC电源变换器的主要特点及PWM控制器的典型产品,另外还按照目标对电路结构、波形参数和汁算公式中的物理量作了统一。本文的特点足以表格形式归纳了常见DC/DC电源变换器的拓扑结构.这对电源专业的广大技术人员是一份不可多得的技术资料。
常见DC/DC电源变换器的拓扑类型见表1~表3所列。表中给出不同的电路结构,同时也给出相应的电压及电流波形(设相关的电感电流为连续工作方式)。PWM表示脉宽调制波形,U1为直流输入电压,UDS为功率丌关管S1(MOSFFT)的漏一源极电压。ID1为S1的漏极电流。IF1为D1的工作电流,U0为输出电压,IL为负载电流。T为周期,t为UO呈高电平(或低电平)的时问及开关导通时间,D为占空比,有关系式:D=t/T。C1、C2均为输入端滤波电容,CO为输出端滤波电容,L1、L2为电感。


