Pg电子平台:开关电源分析电路组成工作原理图文-KIAMOS管
开关模式电源(Switch Mode Power Supply,简称SMPS),又称交换式电源、开关变换器,是一种高频化电能转换装置,是电源供应器的一种。
功能是将一个位准的电压,透过不同形式的架构转换为用户端所需求的电压或电流。开关电源的输入多半是交流电源(例如市电)或是直流电源,而输出多半是需要直流电源的设备,例如个人电脑,而开关电源就进行两者之间电压及电流的转换。

开关电源的主要电路是由输入电磁干扰滤波器(EMI)、整流滤波电路、功率变换电路、PWM控制器电路、输出整流滤波电路组成。辅助电路有输入过欠压保护电路、输出过欠压保护电路、输出过流保护电路、输出短路保护电路等。

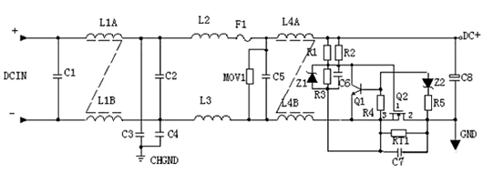
① 输入滤波电路:C1、L1、C2组成的双π型滤波网络主要是对输入电源的电磁噪声及杂波信号进行抑制,防止对电源干扰,同时也防止电源本身产生的高频杂波对电网干扰。C3、C4为安规电容,L2、L3为差模电感。
② R1、R2、R3、Z1、C6、Q1、Z2、R4、R5、Q2、RT1、C7组成抗浪涌电路。在起机的瞬间,由于C6的存在Q2不导通,电流经RT1构成回路。当C6上的电压充至Z1的稳压值时Q2导通。如果C8漏电或后级电路短路现象,在起机的瞬间电流在RT1上产生的压降增大,Q1导通使Q2没有栅极电压不导通,RT1将会在很短的时间烧毁,以保护后级电路。

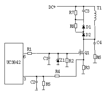
R4、C3、R5、R6、C4、D1、D2组成缓冲器,和开关MOS管并接,使开关管电压应力减少,EMI减少,不发生二次击穿。在开关管Q1关断时,变压器的原边线圈易产生尖峰电压和尖峰电流,这些元件组合一起,能很好地吸收尖峰电压和电流。从R3测得的电流峰值信号参与当前工作周波的占空比控制,因此是当前工作周波的电流限制。
当R5上的电压达到1V时,UC3842停止工作,开关管Q1立即关断 。 R1和Q1中的结电容CGS、CGD一起组成RC网络,电容的充放电直接影响着开关管的开关速度。R1过小,易引起振荡,电磁干扰也会很大;R1过大,会降低开关管的开关速度。Z1通常将MOS管的GS电压限制在18V以下,从而保护了MOS管。
Q1的栅极受控电压为锯形波,当其占空比越大时,Q1导通时间越长,变压器所储存的能量也就越多;当Q1截止时,变压器通过D1、D2、R5、R4、C3释放能量,同时也达到了磁场复位的目的,为变压器的下一次存储、传递能量做好了准备。IC根据输出电压和电流时刻调整着⑥脚锯形波占空比的大小,从而稳定了整机的输出电流和电压。 C4和R6为尖峰电压吸收回路。

T1为开关变压器,其初极和次极的相位同相。D1为整流二极管,D2为续流二极管,R1、C1、R2、C2为削尖峰电路。L1为续流电感,C4、L2、C5组成π型滤波器。
开关电源按照拓扑分很多类型:buck boost 正激 反激 半桥 全桥 LLC 等等,但是从本质上区分,开关电源只有两种工作方式:正激:是开关管开通时传输能量,反激:开关管关断时传输能量。
在线性电源中,让功率晶体管工作在线性模式,与线性电源不同的是,PWM开关电源是让功率晶体管工作在导通和关断的状态,在这两种状态中,加在功率晶体管上的伏安乘积是很小的(在导通时,电压低,电流大;关断时,电压高,电流小)/功率器件上的伏安乘积就是功率半导体器件上所产生的损耗。
与线性电源相比,PWM开关电源更为有效的工作过程是通过“斩波”,即把输入的直流电压斩成幅值等于输入电压幅值的脉冲电压来实现的。脉冲的占空比由开关电源的控制器来调节。一旦输入电压被斩成交流方波,其幅值就可以通过变压器来升高或降低。通过增加变压器的二次绕组数就可以增加输出的电压值。最后这些交流波形经过整流滤波后就得到直流输出电压。
控制器的主要目的是保持输出电压稳定,其工作过程与线性形式的控制器很类似。也就是说控制器的功能块、电压参考和误差放大器,可以设计成与线性调节器相同。他们的不同之处在于,误差放大器的输出(误差电压)在驱动功率管之前要经过一个电压/脉冲宽度转换单元。
开关电源产品广泛应用于工业自动化控制、军工设备、科研设备、LED照明、工控设备、通讯设备、电力设备、仪器仪表、医疗设备、半导体制冷制热、空气净化器,电子冰箱,液晶显示器,LED灯具,通讯设备,视听产品,安防监控,LED灯带,电脑机箱,数码产品和仪器类等领域。


