
-
2025-03-15Pg电子游戏平台:开关电源模块化设计及继电保护电路设计—电路
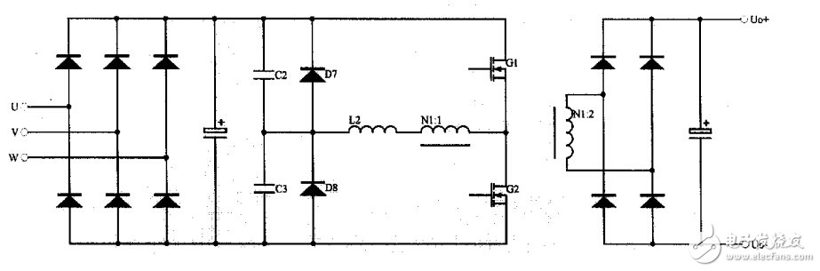
利用单片机控制技术和软开关技术进行电源系统的模块化设计和并联均流运行控制,可以实现 该样机主要由一个控制模块、三个电源模块和一个电源底板组成。其电源模块主要技术参数为: 1、可以简单实现主回路...

-
2025-03-15Pg电子游戏:从便携到智能:中国移动电源市场迎来新机遇
移动电源作为现代电子设备的重要配件,其定义涵盖了便携式储能设备,包括太阳能电源、储能电池式电源等。根据分类,移动电源可分为便携式、太阳能和储能电池式三种主要类型,每种类型在技术特点和应用场景上各有...

-
2025-03-15Pg电子游戏:2025年深圳充电桩充电设施展览会
均为国内同类展会之最,已成为充电设施行业企业每年首选的品牌展会,帮助无数企业快速成长,已在业内拥有中国充电设施行业发展风向标”美誉。 2025第二十一届深圳国际充电设施与储能产业博览会2025年...

-
2025-03-15Pg电子平台:科陆电子获实用新型专利:智能电表复位电路创新助
在当前智能设备普及的时代,科技创新无疑成为推动行业发展的重要动力。近日,科陆电子(002121)再次引发业内关注,获得了一项名为“一种用于智能电表的复位电路及电子设备”的实用新型专利授权。这一专利...

-
2025-03-15Pg电子平台:智能电线创新突破:模块化时间同步注入模块专利引
2025年1月11日,金融界讯,随着智能科技的快速发展,智能电网作为实现可再生能源利用与高效管理的基础设施,正日益受到广泛关注。最新消息显示,智能电线股份有限公司近期成功获得一项名为“模块化时间同...


