
-
2024-12-16Pg电子平台:什么是电子中的功率模块及其应用电源模块有什么用

-
2024-12-16Pg电子平台:专家约稿碳化硅功率器件封装与可靠性测试
碳化硅(SiC)是一种宽带隙(WBG)的半导体材料,目前已经显示出有能力满足前述领域中不断发展的电力电子的更高性能要求。在过去,硅(Si)一直是最广泛使用的功率开关器件的半导体材料。然而,随着硅基...

-
2024-12-16Pg电子游戏:开关电源模块docx
电源招聘专家 电源招聘专家 电源模块 1 把电压为 7.2V 的电池经 LM2940 稳压后,其电路图如下: 稳压后可以完成如下功能: 经过稳压芯片 LM2940 稳压后,输出 5V 电压以驱动单...

-
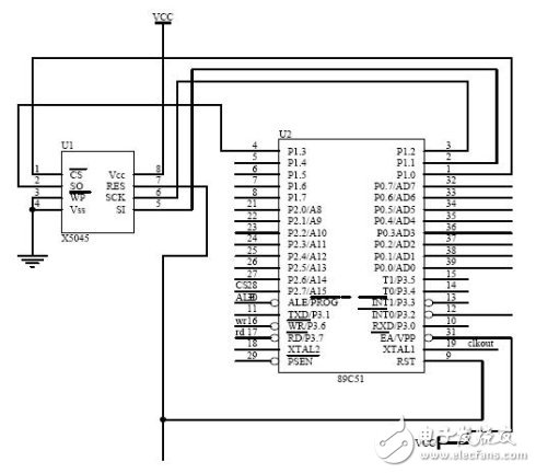
2024-12-16Pg电子游戏:汽车辅助系统CAN总线接口电路设计—电路图天天
主要包括:单片机、控制器接口、总线收发器和看门狗电路等。采用Philips公司生产的SJA1000控制器和与其配套的 82C250总线物理层协议选择总线介质,设计布线方案,连接成CAN网络。双绞屏...

-
2024-12-15Pg电子游戏:模块化-OFweek电子工程网
工采网代理的国产双频多协议蓝牙模块 - RF-TI1352B1是基于TI CC1352R为核心自主研发的小尺寸、IPEX一代天线G双频多协议贴片式无线模块。支持Sub GHz和2. 同时实现远距...


